lemon-mirror:
Home >> Chevrolet >> 2011 >> Malibu LS, 2.4 1 >> Repair and Diagnosis >> Engine Performance >> System >> Data Communications System >> Wiring Schematics >> Data Communication Wiring Schematics

Data Communication Wiring Schematics

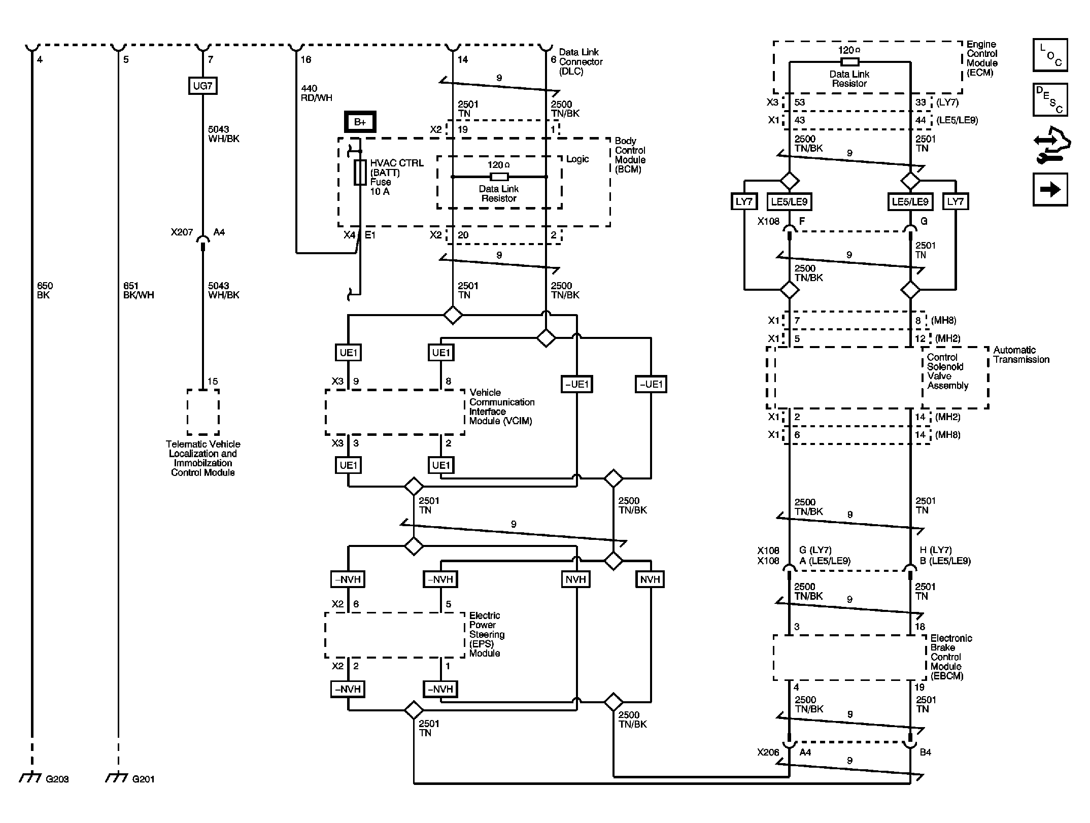
Fig 1: Power, Ground, and High Speed Serial Data Wiring Schematic
GM2400731Courtesy of GENERAL MOTORS CORP.
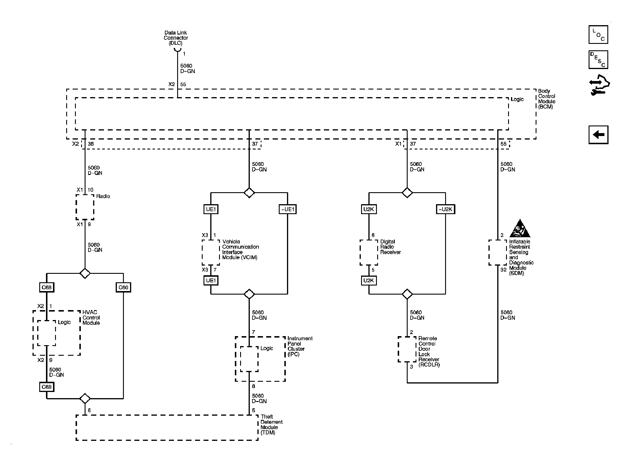
Fig 2: Low Speed Serial Data Wiring Schematic
GM2400735Courtesy of GENERAL MOTORS CORP.