lemon-mirror:
Home >> Chevrolet >> 2012 >> Camaro LS, Automatic Trans >> Repair and Diagnosis >> Body & Frame >> Door Locks >> Keyless Entry System And Remote Functions >> Wiring Schematics >> Remote Function Wiring Schematics >> Keyless Entry

Keyless Entry

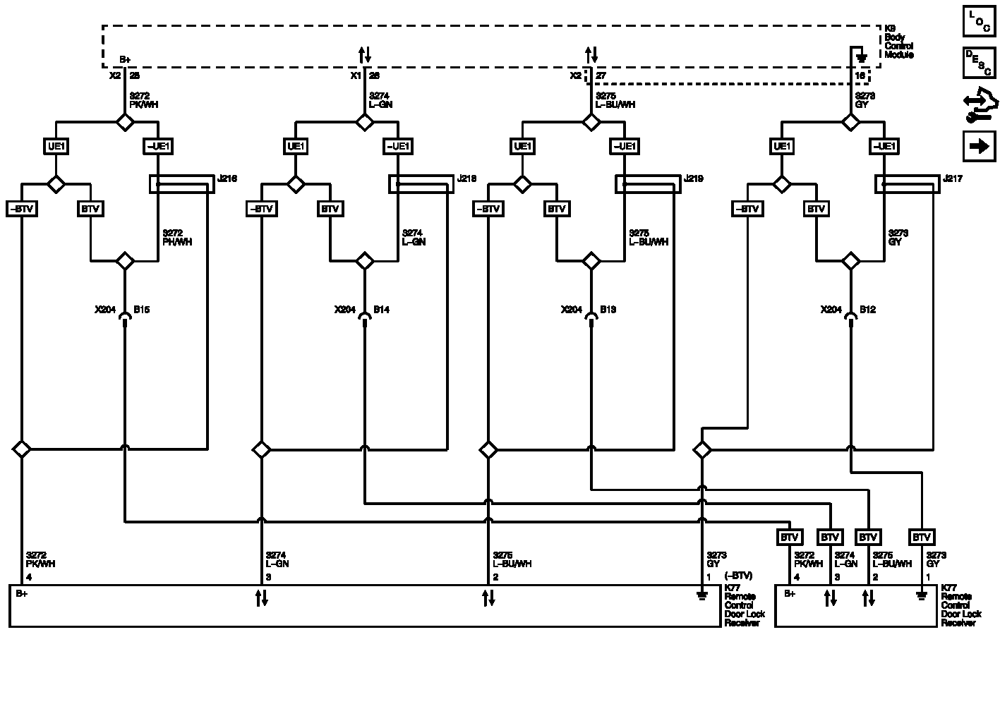
Fig 1: Keyless Entry Wiring Schematic
GM2626459Courtesy of GENERAL MOTORS COMPANY