lemon-mirror:
Home >> Chevrolet >> 2012 >> Camaro LS, Automatic Trans >> Repair and Diagnosis >> Electrical >> Component Locations >> Electrical Component Locator - Instrument Panel/Center Console Component Views >> Instrument Panel/Center Console Component Views >> Behind the Instrument Panel Components

Behind the Instrument Panel Components

Behind the Instrument Panel Components

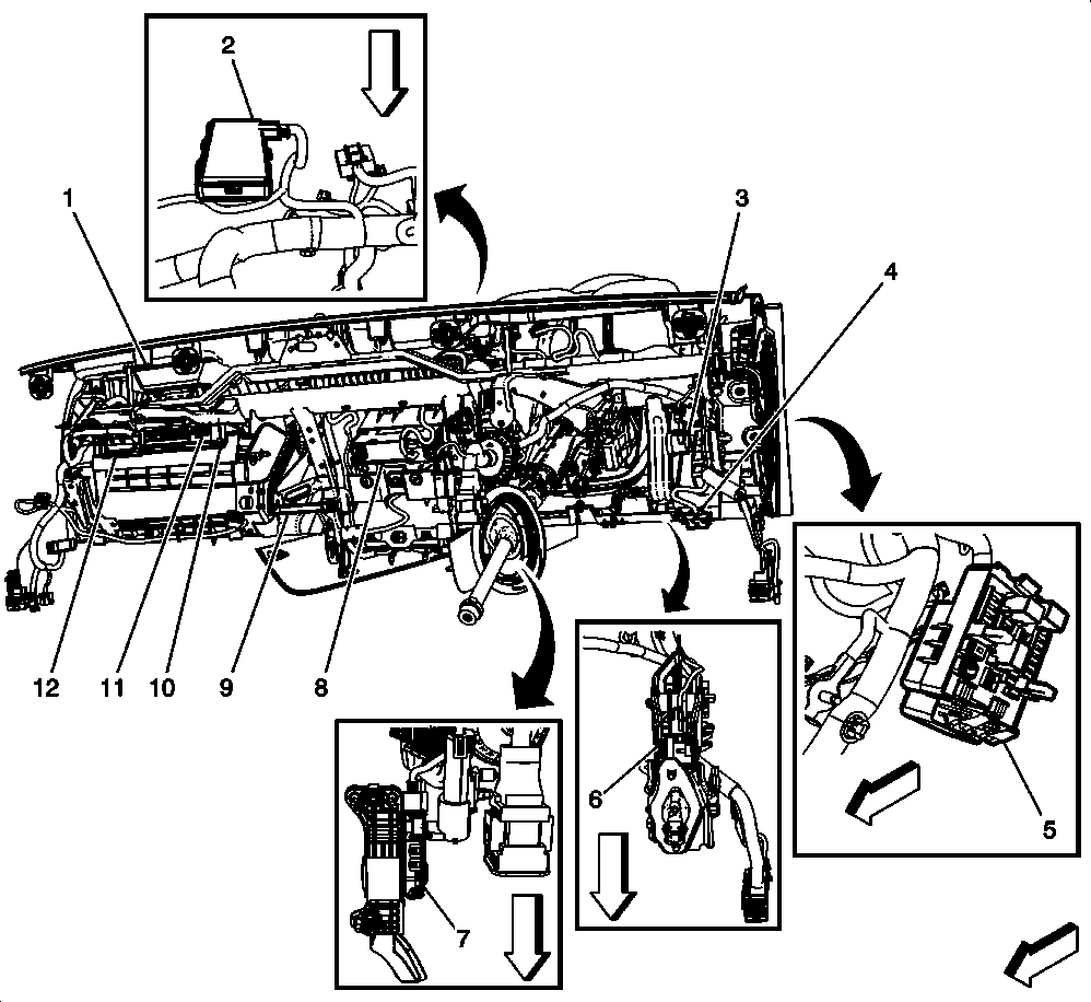
Component Name Callout
F105 Passenger Instrument Panel Air Bag 1
K77 Remote Control Door Lock Receiver (W/O BTV) 2
B22 Brake Pedal Position Sensor 3
X84 Data Link Connector 4
X51A Fuse Block - Instrument Panel 5
B25B Clutch Pedal Position Sensor (MV5/M10) 6
B107 Accelerator Pedal Position Sensor 7
A11 Radio 8
B39 A/C Evaporator Temperature Sensor 9
K73 Telematics Communication Interface Control Module (UE1) 10
T4S Wireless Communication Antenna - Bluetooth (UPF) 11
C3 Telematics Communication Interface Control Module Battery (UE1) 12
Fig 1: Instrument Panel Components
GM2269626Courtesy of GENERAL MOTORS COMPANY