lemon-mirror:
Home >> Chevrolet >> 2012 >> Camaro LS, Automatic Trans >> Repair and Diagnosis >> Engine Performance >> System >> Data Communications System >> Wiring Schematics >> Data Communication Wiring Schematics >> High Speed GMLAN

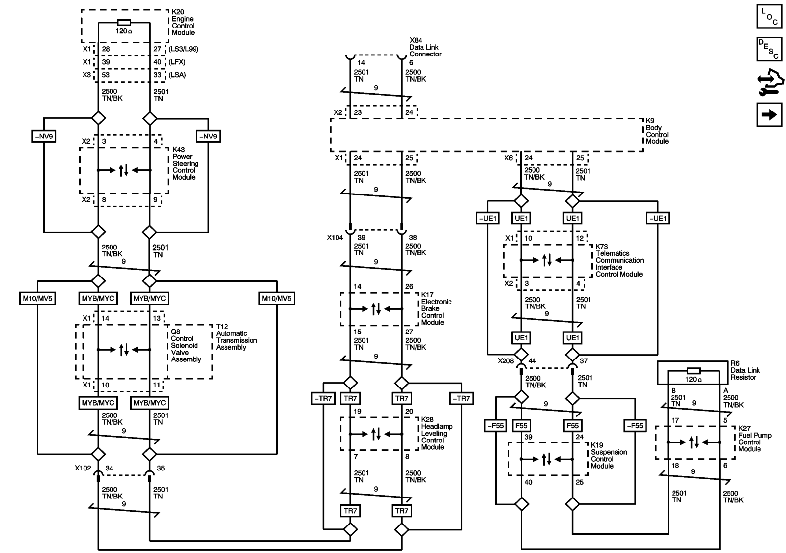
High Speed GMLAN

Fig 1: High Speed GMLAN Wiring Schematic
GM2619119Courtesy of GENERAL MOTORS COMPANY