lemon-mirror:
Home >> Chevrolet >> 2012 >> Volt >> Repair and Diagnosis >> Transmission >> Automatic Trans >> Shift Lock Control System >> Schematic Wiring Diagrams >> Shift Lock Control Wiring Schematics >> Shift Lock Wiring Schematics

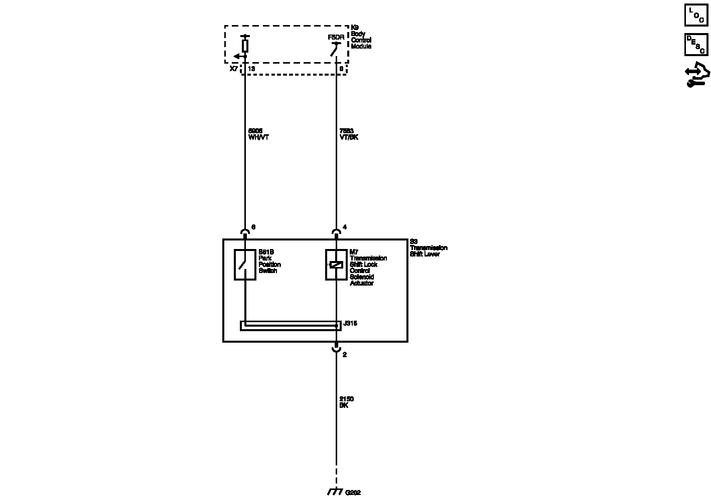
Shift Lock Wiring Schematics

Fig 1: Shift Lock Wiring Schematics
GM2614587Courtesy of GENERAL MOTORS COMPANY