lemon-mirror:
Home >> Chevrolet >> 2014 >> SS >> Repair and Diagnosis >> Engine Performance >> System >> Data Communication System >> Schematic Wiring Diagrams >> Data Communication Wiring Schematics >> Low Speed

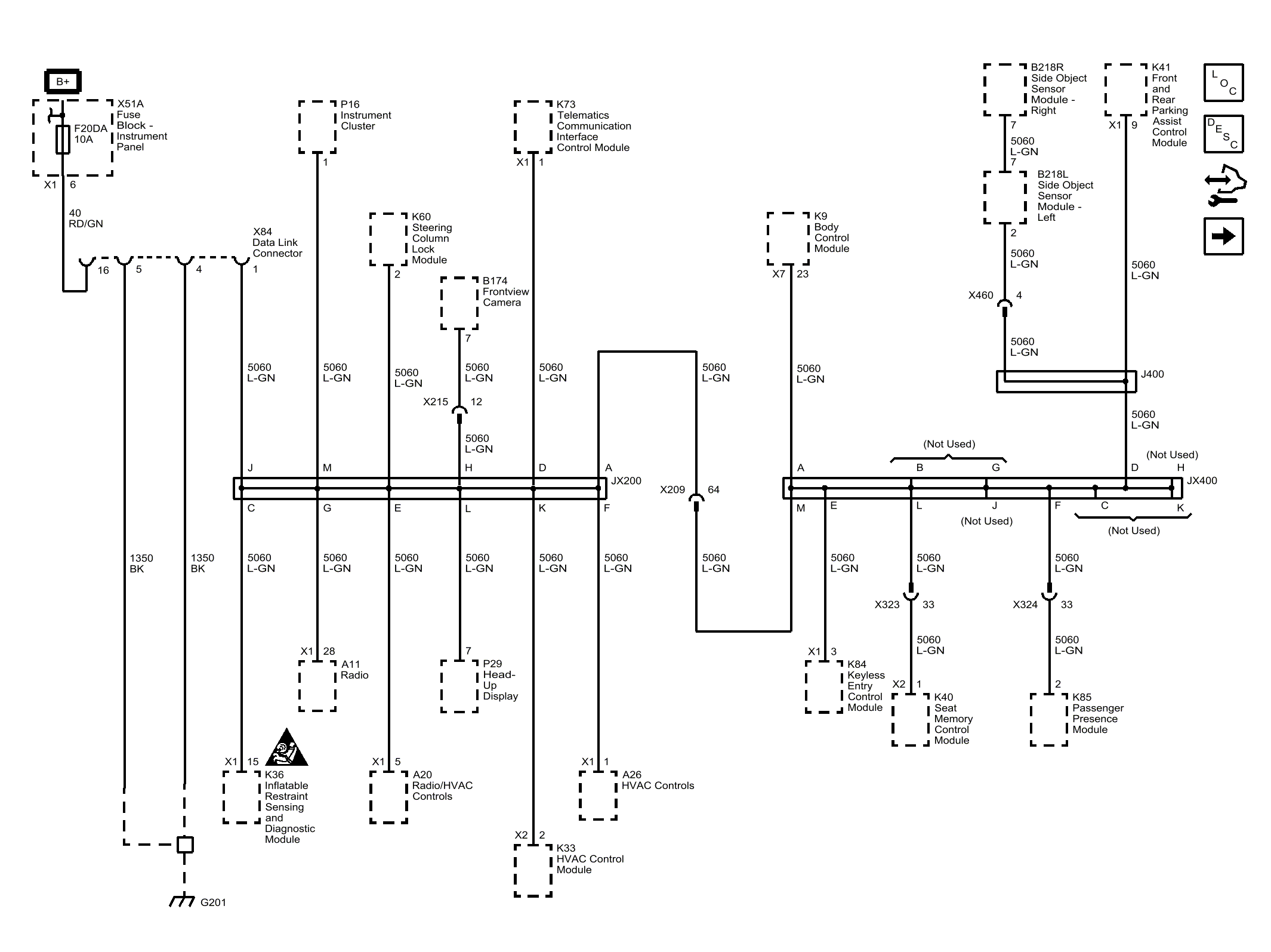
Low Speed

Fig 1: Low Speed Wiring Schematic
GM3554191Courtesy of GENERAL MOTORS COMPANY