lemon-mirror:
Home >> Chevrolet >> 2014 >> Volt >> Repair and Diagnosis >> Transmission >> Automatic Trans >> Shift Lock Control System >> Schematic Wiring Diagrams >> Shift Lock Control Wiring Schematics >> Shift Lock

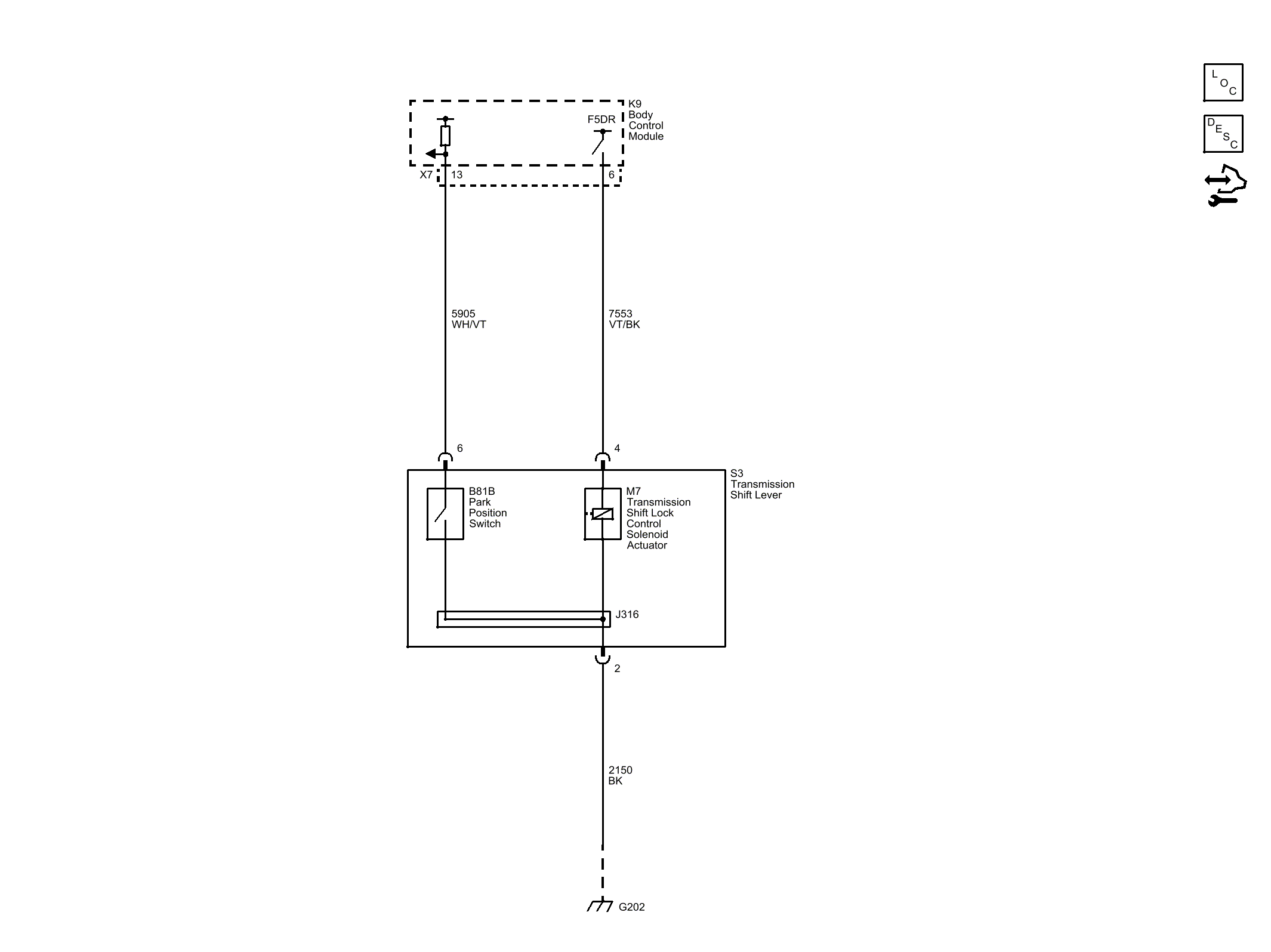
Shift Lock

Fig 1: Shift Lock Wiring Schematic
GM3340279Courtesy of GENERAL MOTORS COMPANY