lemon-mirror:
Home >> Chevrolet >> 2017 >> Cruze LS, Automatic Trans >> Repair and Diagnosis >> Engine Performance >> System >> Data Communication System >> Schematic Wiring Diagrams >> Data Communication Wiring Schematics >> MOST Bus

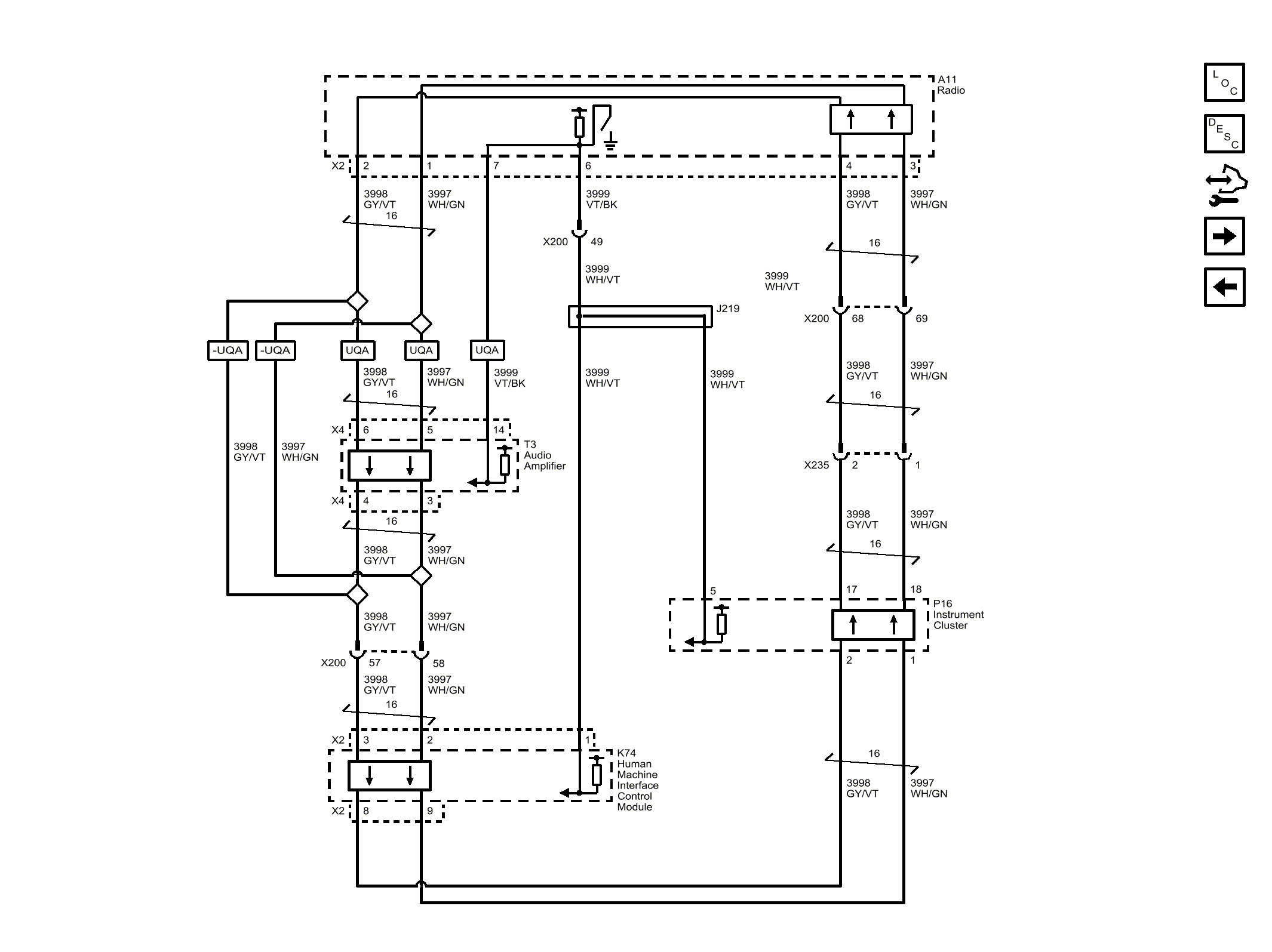
MOST Bus

Fig 1: MOST Bus
GM4334996Courtesy of GENERAL MOTORS COMPANY