lemon-mirror:
Home >> Chevrolet >> 2017 >> Traverse LS Base >> Repair and Diagnosis >> Engine Performance >> System >> Data Communication System >> Schematic Wiring Diagrams >> Data Communication Wiring Schematics >> High Speed GMLAN

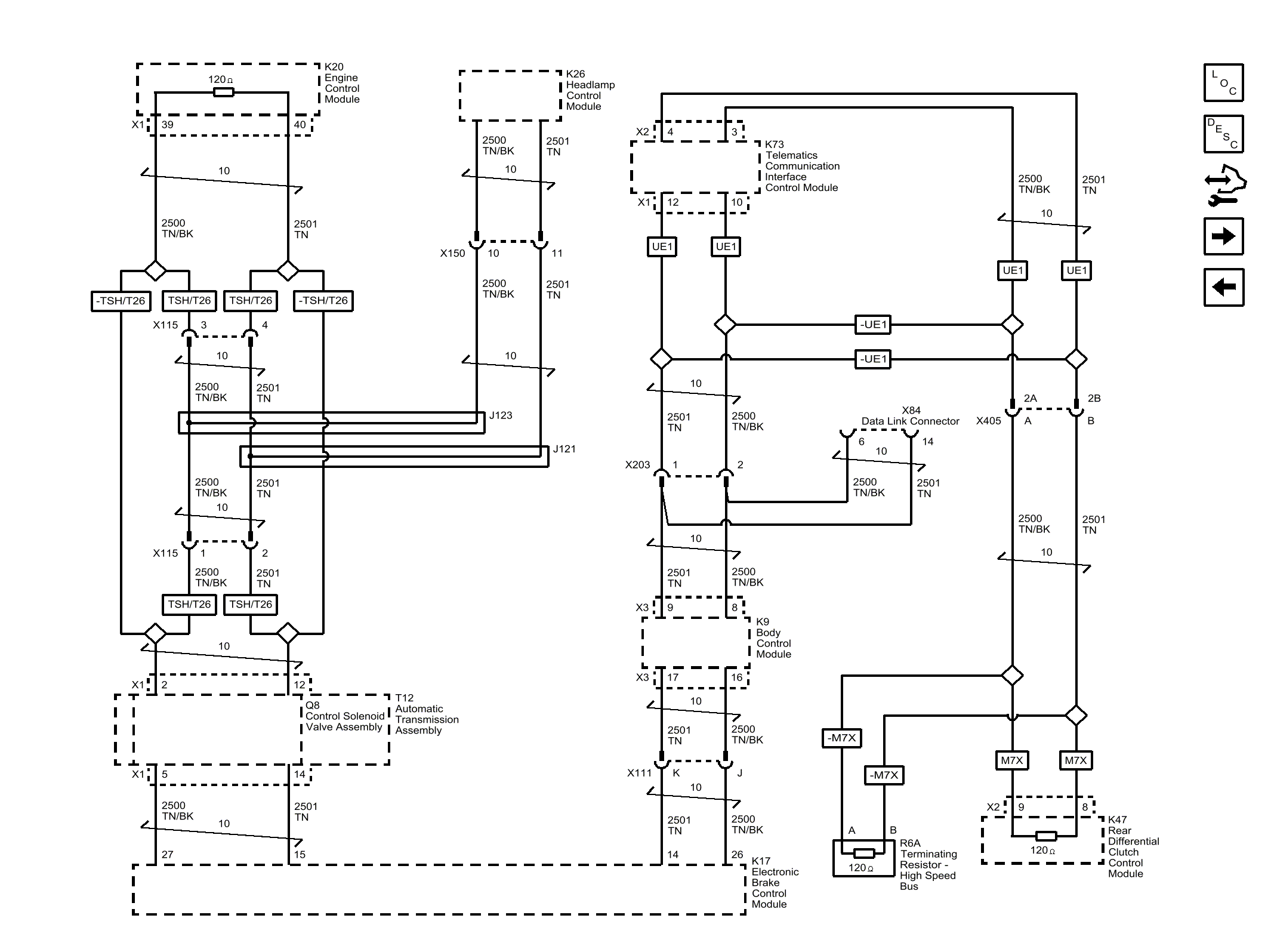
High Speed GMLAN

Fig 1: High Speed GMLAN
GM4406139Courtesy of GENERAL MOTORS COMPANY