lemon-mirror:
Home >> Chevrolet >> 2019 >> Suburban 3500 HD LS >> Repair and Diagnosis >> Suspension >> Electronic Suspension >> Automatic Level Control System >> Schematic Wiring Diagrams >> Automatic Level Control Wiring Schematics >> Automatic Level Control (Z95)

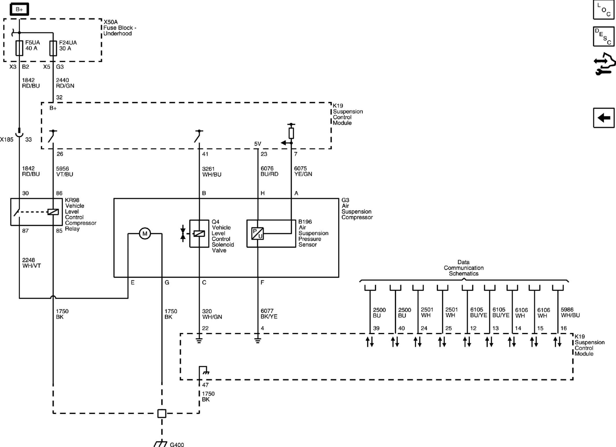
Automatic Level Control (Z95)

GM4937200Courtesy of GENERAL MOTORS COMPANY