lemon-mirror:
Home >> Chrysler >> 1981 >> Imperial >> Repair and Diagnosis >> Electrical >> Charging Systems >> Alternators >> On Vehicle Tests >> Current Output

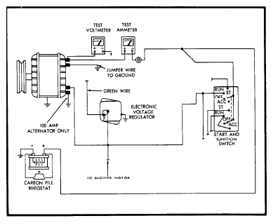
Current Output

  1. With test connections made as for "Charging Circuit Resistance", move negative lead of voltmeter to a good ground, then move the positive lead of voltmeter to "BAT" terminal of alternator. Start engine and operate at idle.
    CAUTION: To avoid damage, reduce engine speed to idle immediately after starting.
  2. Adjust engine speed and carbon pile until a speed of 900 RPM (100 amp.) or 1250 RPM (all others) and a voltmeter reading of 13 volts (100 amp.) or 15 volts (all others) is obtained.
    CAUTION: Increase in engine speed should not be large enough to allow voltage to exceed 16 volts.
  3. Observe ammeter. Current output should be within specifications. If output is less than specified, remove alternator from vehicle and bench test it.
Fig 1: Diagram Showing Meter Connections for Alternator Current Output Test
G09316836Courtesy of CHRYSLER GROUP, LLC