lemon-mirror:
Home >> Chrysler >> 1983 >> Imperial >> Repair and Diagnosis >> Engine Performance >> Ignition System - V8 >> Description >> Notes

Ignition System - V8: Description: Notes

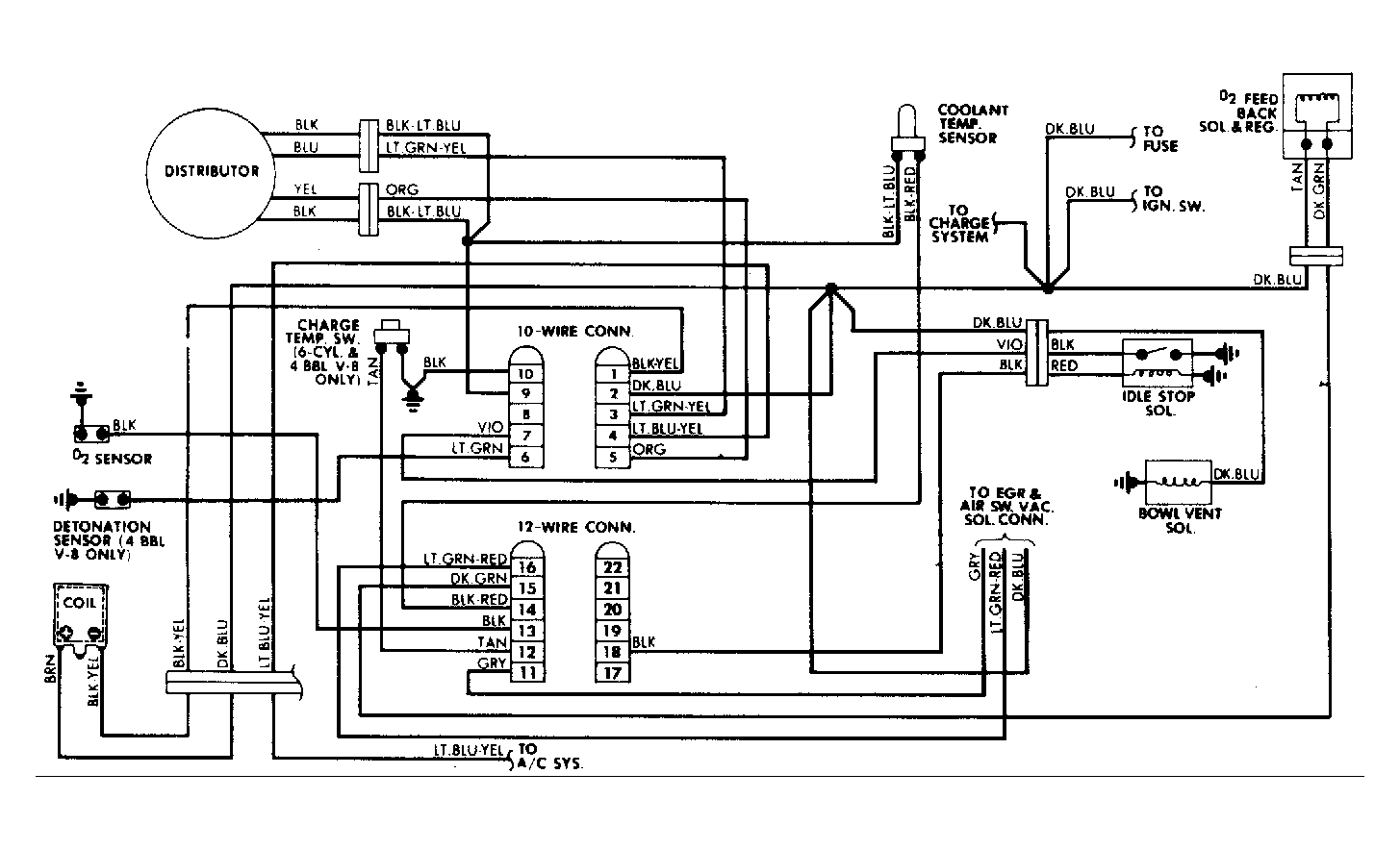
The Electronic Spark Control (ESC) system is governed by a Spark Control Computer, 7 engine sensors, a specially-calibrated carburetor and, on most models, a dual pick-up distributor. Models with the 5.2L EFI (Electronic Fuel Injection) engine have a single pick-up distributor. The ESC system is designed to burn a lean air/fuel mixture, with a minimum of emissions. See Figure.

NOTE: For a diagram of 10-wire and 12-wire connectors for the ignition and electronic fuel injection systems of 5.2L EFI, see Chrysler Electronic Fuel Injection Articles in FUEL SYSTEMS section.