lemon-mirror:
Home >> Chrysler >> 1983 >> Imperial >> Repair and Diagnosis >> Engine Performance >> System >> Fuel Injection System - EFI >> Trouble Shooting >> No-Start Checks >> Notes

No-Start Checks: Notes

  1. Remove air cleaner. Disconnect coil secondary wire and connect it to ground. Crank engine and check for fuel flow at injectors. If flow is okay, check ignition system.
    CAUTION: Coil secondary wire must be grounded if not connected to cap while engine is being cranked. Otherwise, damage to computer may occur.
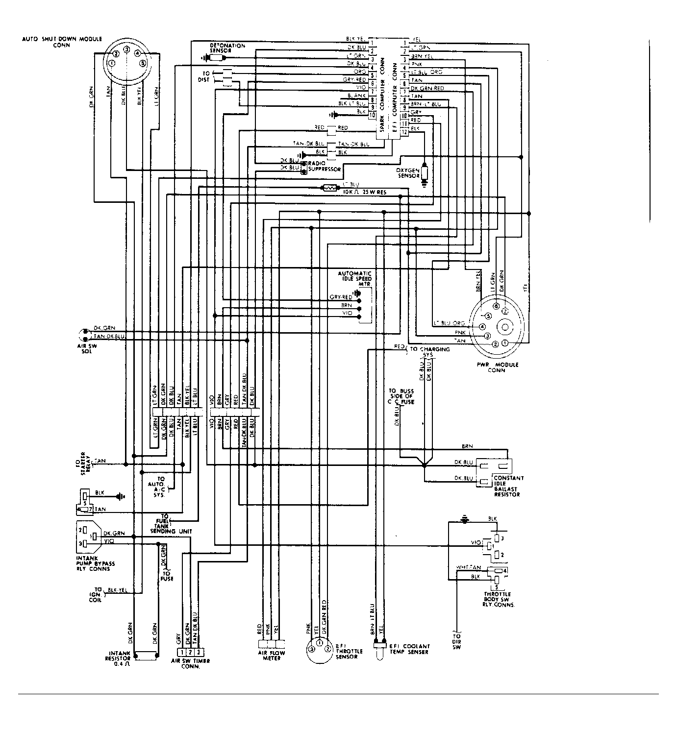
    Fig 1: EFI Wiring Diagram
    G562
  2. If no fuel is seen, perform "In-Tank Pump Test". If fuel flow is minimal, perform "Fuel Pressure Test". If fuel flow is excessive or evidence of flooding is seen, perform "Excessive Fuel Flow" test.