lemon-mirror:
Home >> Chrysler >> 1984 >> E Class 2.6 G >> Repair and Diagnosis >> Engine Performance >> System >> Fuel Injection System - Multi-Point >> Description

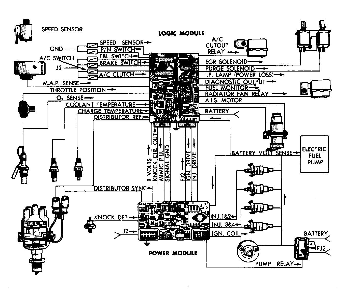
Fuel Injection System - Multi-Point: Description

The Chrysler Multi-Point Electronic Fuel Injection system is an electronically controlled system which combines electronic fuel injection and electronic spark advance system with a turbocharged intake system. The main sub-systems consist of: Air Induction, Fuel delivery, Fuel Control, Emission Control, Logic Module, Power Module and Data Sensors.

The Air Induction system includes air cleaner, throttle body, throttle position sensor (TPS), automatic idle speed (AIS) motor and turbocharger assembly.

The Fuel Delivery system provides fuel from the fuel pump to the fuel control system. It also returns excess fuel to the fuel tank. the system is composed of an in-tank electric fuel pump, fuel filter, check valves and return line. Power is provided to operate the fuel pump through an automatic shut-down (ASD) relay from the power module.

The Fuel Control system handles the actual delivery of fuel into the engine. The fuel pressure regulator maintains a constant fuel pressure of 53 psi (3.7 kg/cm2 ). In addition to the regulator, the system consists of the fuel rail and 4 fuel injectors.

Fig 1: Multi-Point Electronic Fuel Injection Components
G1598

Emission systems controls, although directly operated by the logic module, are not unique to the multi-point EFI engine. These controls include EGR, aspirated air system, evaporative emission control and crankcase ventilation.

The logic module is a digital microprocessor computer. This module is the "brain" of the system. All calculations and control functions are performed by the logic module. The power module is a small computer that contains necessary circuitry to power the ignition oil and fuel injectors. This module supplies most of the operating current for the system.

Data sensors consist of various sensors and switches which provide the logic module with engine operating information. The computer analyzes this information and corrects air/fuel ratio, ignition timing, and emission control as needed to maintain efficient ngine operation.