lemon-mirror:
Home >> Chrysler >> 1985 >> Laser Base, Automatic >> Repair and Diagnosis >> Engine Performance >> System >> 2.2L EFI Tests W/Codes >> Description

2.2L EFI Tests W/Codes: Description

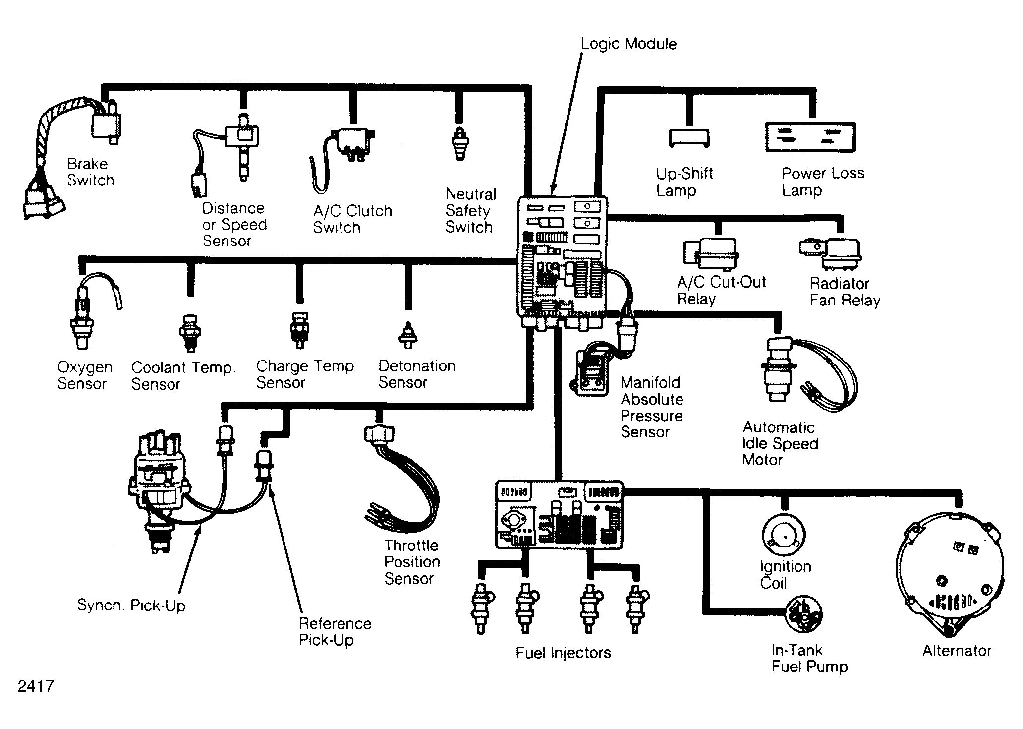
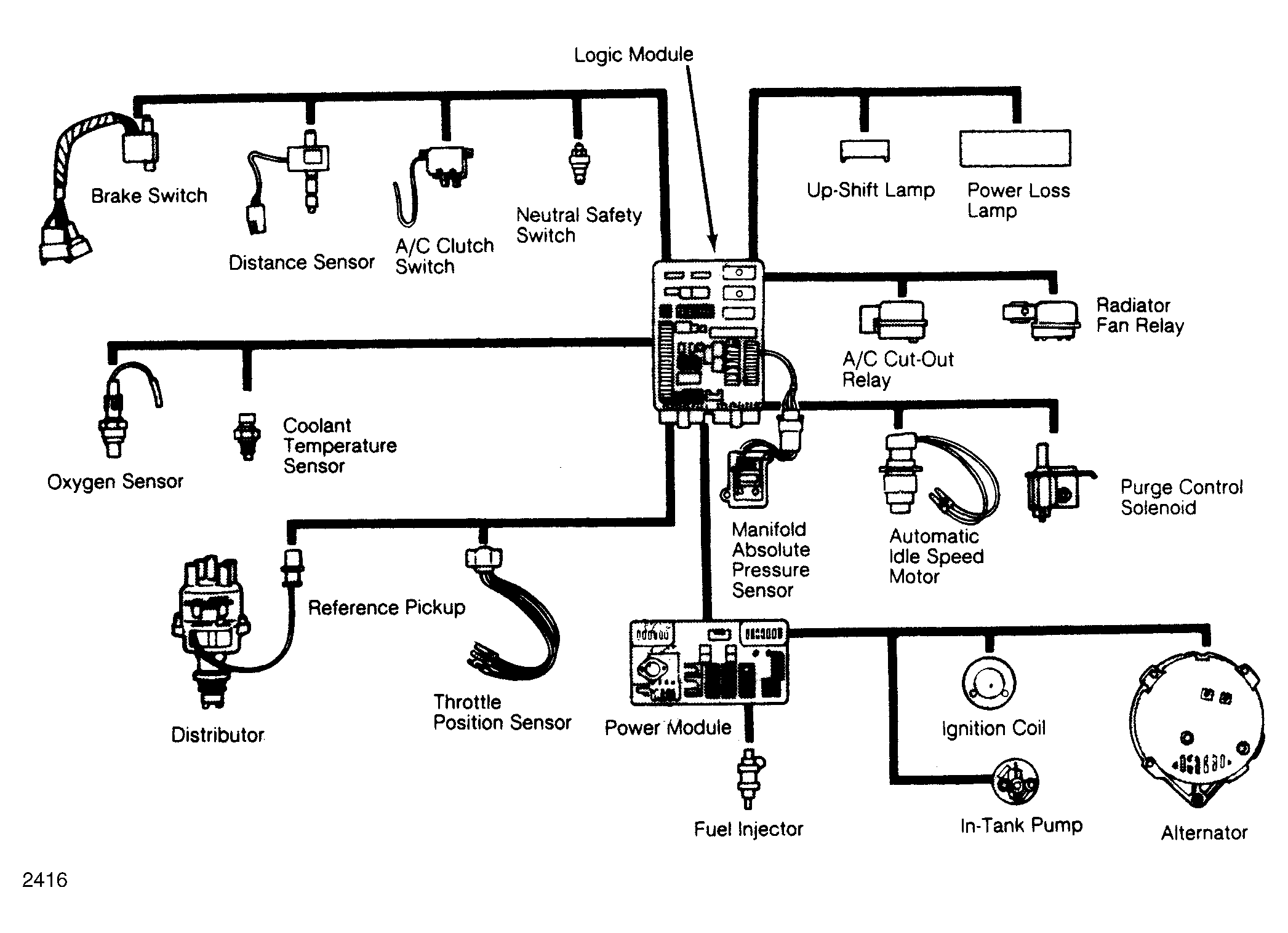
The computerized engine control systems used on 2.2L fuel injected engines controls the fuel system, ignition system, and emission control system for proper engine operation. Throttle Body Injection is used on non-turbo models, while Multi-Point Fuel Injection is used on turbo models.

In order to control these systems, the computer monitors several engine and vehicle operating conditions. The engine conditions monitored include: manifold absolute pressure, throttle position, coolant temperature, charge temperature (turbo only), manifold air temperature, exhaust gas oxygen content, and vehicle distance/engine speed.

Vehicle conditions monitored include vehicle speed and the status (off or on) of several vehicle systems that affect engine load. These include the transmission neutral-safety, brake light and air conditioning clutch switches.

The engine control computer consists of 2 separate modules. The logic module processes all sensor inputs and controls all low power output devices. The logic module also controls the power module. The power module controls the injector(s), ignition coil, and auto shutdown relay.

Fig 1: Non-Turbo Computer, Input Sensors & Output Devices Schematic
G2416
Fig 2: Turbo Computer, Input Sensors & Output Devices Schematic
G2417