lemon-mirror:
Home >> Chrysler >> 1987 >> Fifth Avenue 5.2 P >> Repair and Diagnosis >> Engine Performance >> System >> EFC System >> Testing >> Preliminary Checks

Preliminary Checks

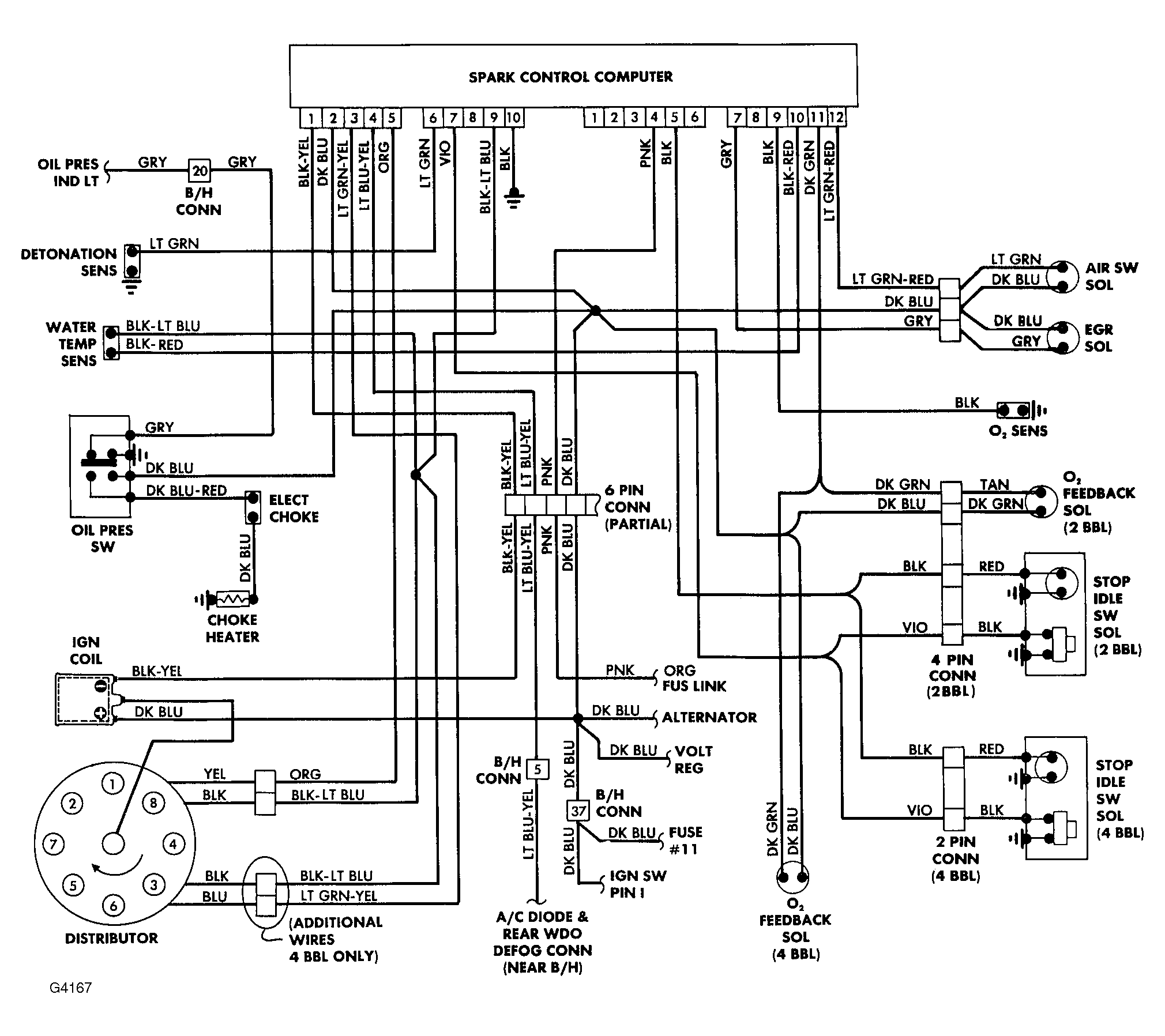
A malfunction in the EFC system may result in engine surge, hesitation, rough idle and/or poor fuel economy. Before performing any tests, check all vacuum hoses and electrical wiring for proper routing and connections and check for exhaust and intake manifold leaks. If these are in order, proceed with testing.

Fig 1: Wiring Diagram for RWD EFC System
G4167