lemon-mirror:
Home >> Chrysler >> 1988 >> New Yorker Base >> Repair and Diagnosis >> Engine Performance >> System >> Turbocharger >> Operation >> Compressor

Engine Performance: System: Turbocharger: Operation: Compressor

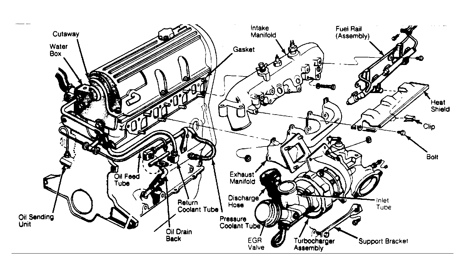
Air is drawn into the compressor through an air inlet duct and the throttle body. Forced air from turbocharger enters into the intake manifold. Exhaust gas is directed into the turbocharger turbine housing where it is used to increase speed of the turbine.

Fig 1: 2.2L Turbo I Engine Components
G54397Courtesy of CHRYSLER MOTORS.
Fig 2: 2.2L Turbo II Engine Components
G7770Courtesy of CHRYSLER MOTORS.