lemon-mirror:
Home >> Chrysler >> 1997 >> LHS >> Repair and Diagnosis >> Brakes >> Traction Control >> Anti-Lock Brake System >> Connector Identification

Connector Identification

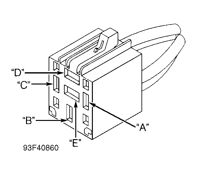
Fig 1: ABS Main Relay Connector Terminals
G93F40860Courtesy of CHRYSLER CORP.
Fig 2: Controller Anti-Lock Brake (CAB) Connector Terminals
G93J40864Courtesy of CHRYSLER CORP.
Fig 3: Data Link Connector Terminals
G96H25129Courtesy of CHRYSLER CORP.
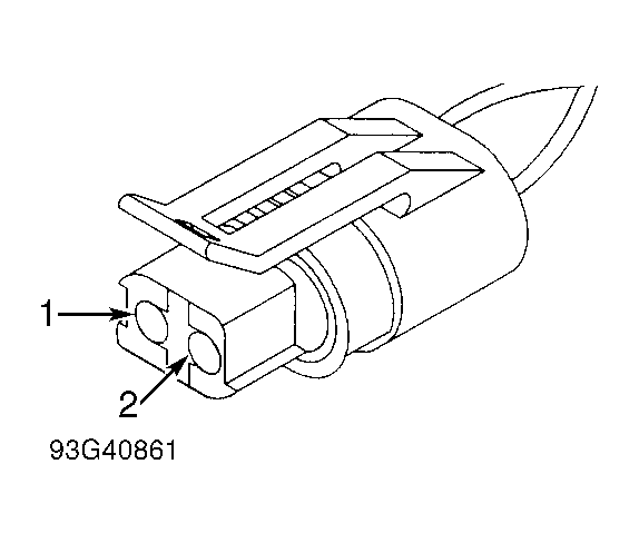
Fig 4: Low Brake Fluid Switch Connector Terminals
G93G40861Courtesy of CHRYSLER CORP.
Fig 5: Message Center 9-Pin Connector Terminals
G93A40865Courtesy of CHRYSLER CORP.
Fig 6: Message Center 10-Pin Connector Terminals
G96A25130Courtesy of CHRYSLER CORP.
Fig 7: Pump Motor Connector Terminals
G96B25131Courtesy of CHRYSLER CORP.
Fig 8: Pump/Motor Relay Connector Terminals
G93E40869Courtesy of CHRYSLER CORP.
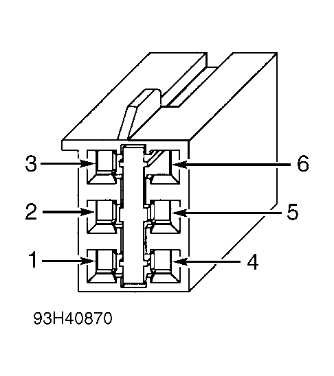
Fig 9: Traction Control Switch Connector Terminals
G93H40870Courtesy of CHRYSLER CORP.
Fig 10: Wheel Speed Sensor Connector Terminals
G93I40871Courtesy of CHRYSLER CORP.