lemon-mirror:
Home >> Chrysler >> 2001 >> Prowler >> Repair and Diagnosis >> Body & Frame >> Power Mirrors >> Wiring Diagrams >> Notes

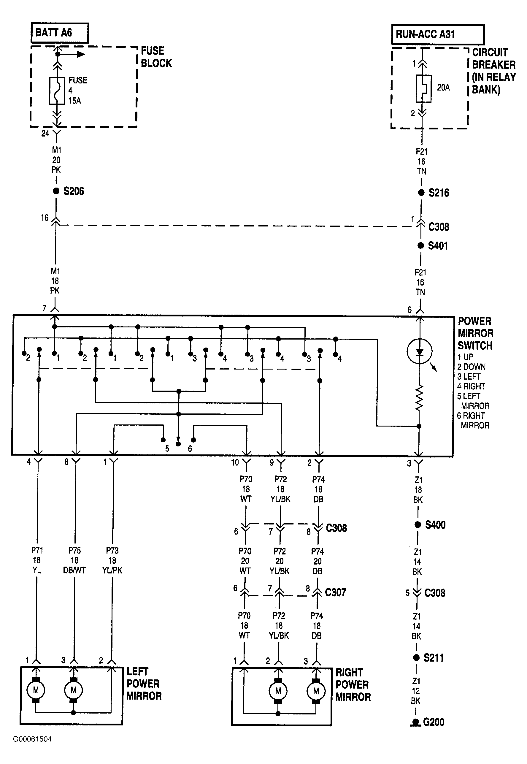
Wiring Diagrams: Notes

NOTE: For additional wiring diagrams, connector identification and splice locations, see SYSTEM WIRING DIAGRAMS .
Fig 1: Power Mirrors Wiring Diagram
G00061504Courtesy of CHRYSLER CORP.