lemon-mirror:
Home >> Chrysler >> 2002 >> Prowler >> Repair and Diagnosis >> Engine Performance >> System >> Powertrain Diagnostic Procedures >> Schematic Diagrams >> Pr 3.5L Engine

Pr 3.5L Engine

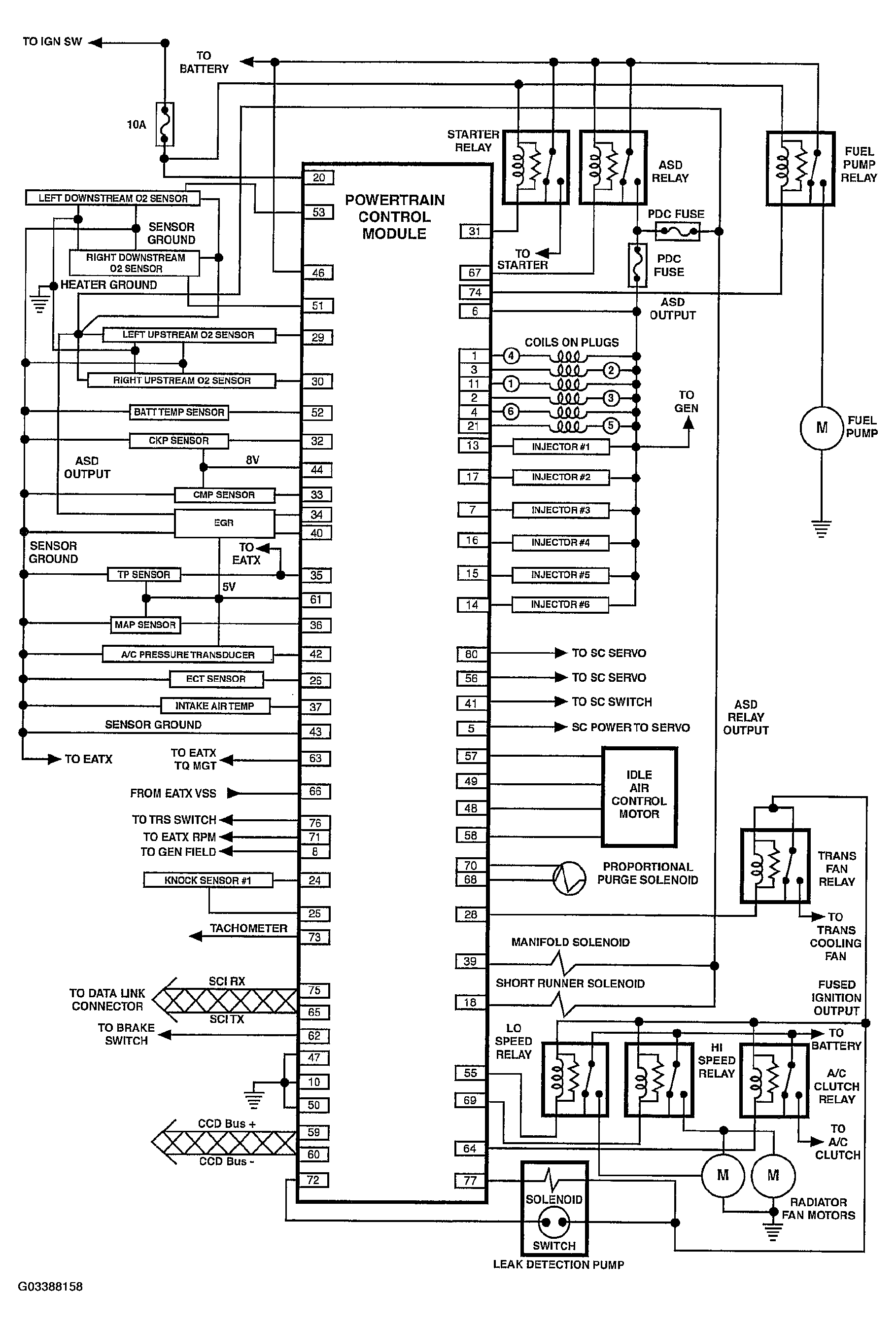
Fig 1: PR 3.5L Engine Schematic Diagram
G03388158Courtesy of DAIMLERCHRYSLER CORP.