lemon-mirror:
Home >> Chrysler >> 2003 >> Intrepid SXT >> Repair and Diagnosis >> Steering >> Steering Control Systems >> Body Diagnostic Procedures >> Schematic Diagram >> Memory System

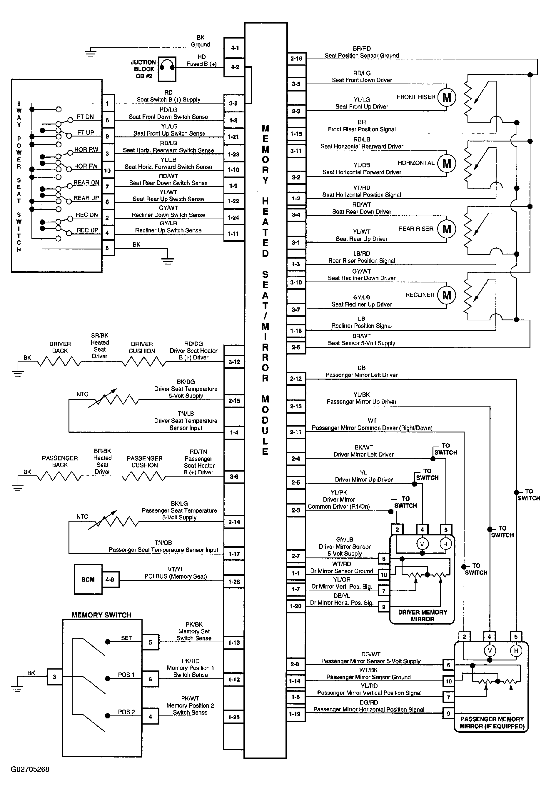
Memory System

Fig 1: Schematic Diagrams - Memory System
G02705268Courtesy of DAIMLERCHRYSLER CORP.