lemon-mirror:
Home >> Chrysler >> 2004 >> PT Cruiser Base, Automatic >> Repair and Diagnosis >> Electrical >> Charging Systems >> Battery System >> Battery Tray >> Description

Battery Tray: Description

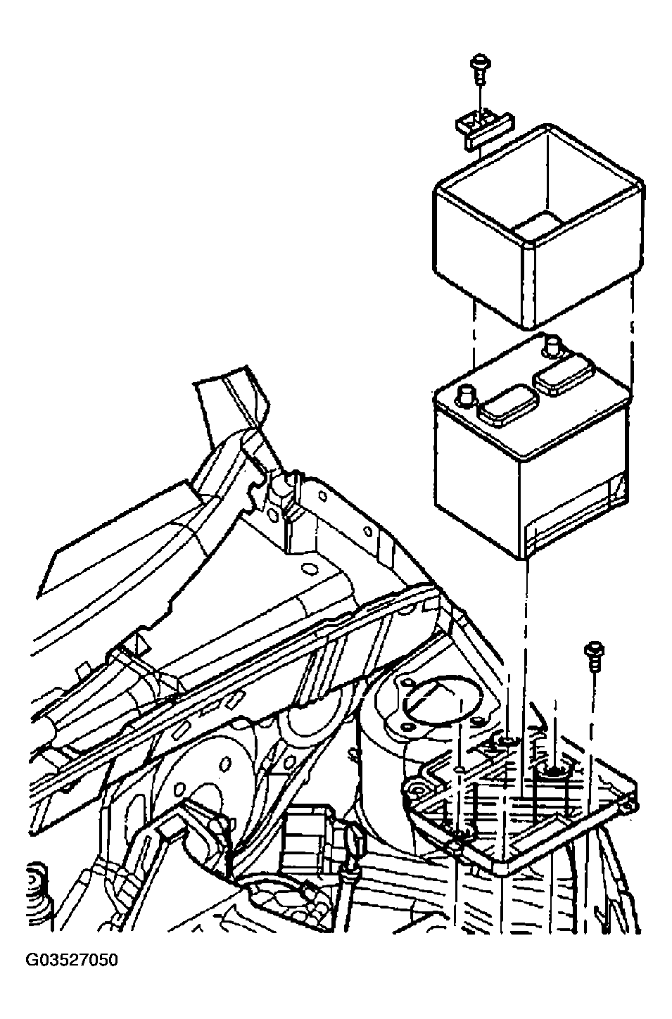
The battery is placed and secured in a plastic battery tray. On gasoline engine equipped vehicles, the battery tray is located in the left front side of the vehicle, next to the left strut tower (Fig 1 ). On diesel engine equipped vehicles, the battery tray is located in the passenger compartment, under the passenger front seat. Refer to BATTERY HOLDDOWN  for more information on hold down hardware.

Fig 1: Removing Battery
G03527050Courtesy of DAIMLERCHRYSLER CORP.