lemon-mirror:
Home >> Chrysler >> 2006 >> Sebring GTC >> Repair and Diagnosis >> Engine Performance >> System >> Powertrain Diagnostic Procedures >> Schematic Diagrams >> Jr 2.0L/2.Schematic

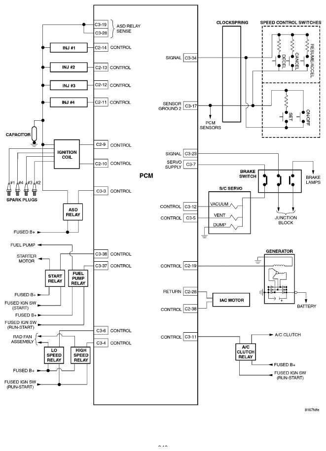
Jr 2.0L/2.Schematic

Fig 1: Schematic Diagrams - 2.0L/2 (1 Of 2)
G04762605
Fig 2: Schematic Diagrams - 2.0L/2 (2 Of 2)
G04762606