lemon-mirror:
Home >> Chrysler >> 2006 >> Sebring GTC >> Repair and Diagnosis >> Engine Performance >> System >> Powertrain Diagnostic Procedures >> Schematic Diagrams >> Jr 2.7L

Jr 2.7L

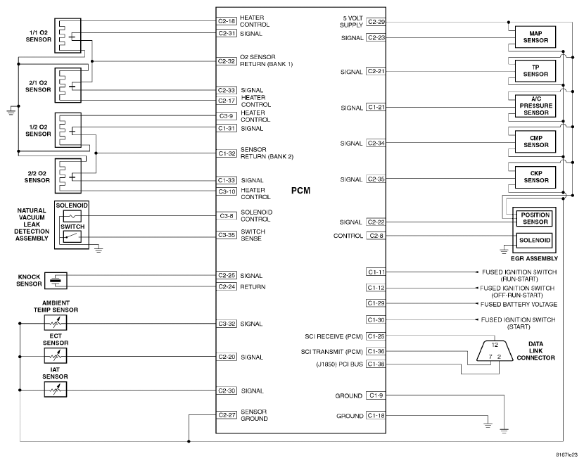
Fig 1: Schematic Diagrams - 2.7L (1 Of 2)
G04762607
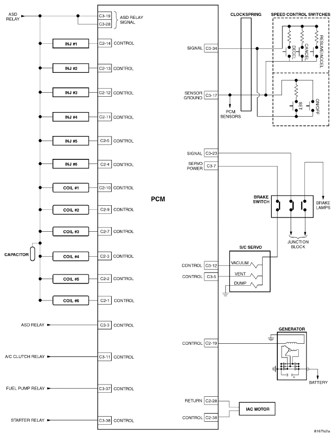
Fig 2: Schematic Diagrams - 2.7L (2 Of 2)
G04762608