lemon-mirror:
Home >> Chrysler >> 2007 >> 300 Base >> Repair and Diagnosis >> Engine Performance >> System >> DTCS P0125 To P0175 >> P0141-O2 Sensor 1/2 Heater Performance >> Circuit Schematic

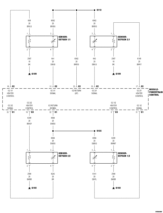
Circuit Schematic

Fig 1: Oxygen Sensor Circuit Schematic
GC0052642Courtesy of CHRYSLER LLC