lemon-mirror:
Home >> Chrysler >> 2007 >> Crossfire Base, 2D Convertible >> Repair and Diagnosis >> Engine Performance >> System >> DTCS P0033 To P0132 >> P0040-1/1 And 2/1 O2 Sensor Harness Connectors Reversed >> Notes

P0040-1/1 And 2/1 O2 Sensor Harness Connectors Reversed: Notes

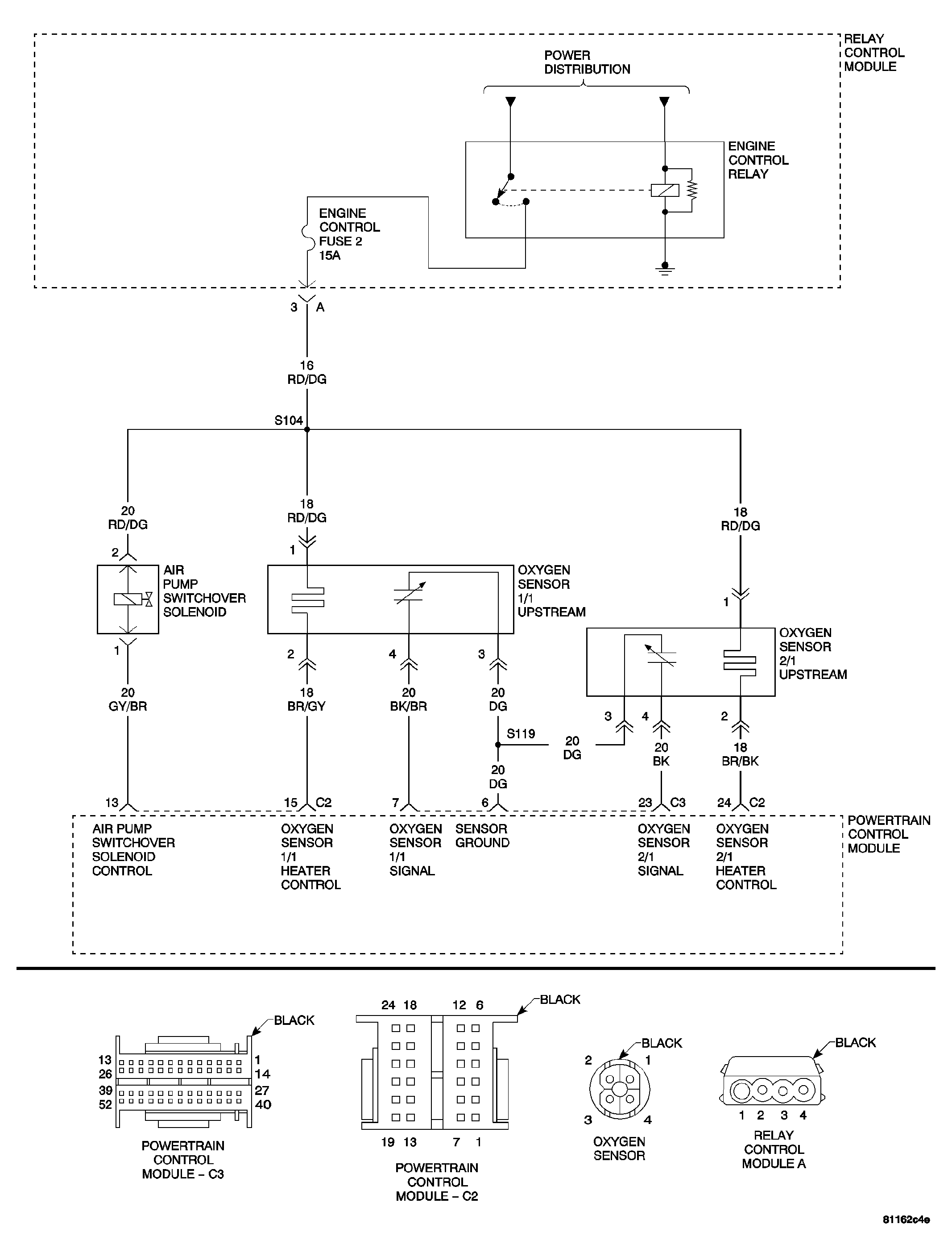
Fig 1: Upstream O2 Sensors & Air Pump Switchover Solenoid Circuit Schematic
GC0034033Courtesy of CHRYSLER LLC