lemon-mirror:
Home >> Chrysler >> 2007 >> Crossfire Base, 2D Convertible >> Repair and Diagnosis >> Engine Performance >> System >> DTCS P0033 To P0132 >> P0131-O2 Sensor 1/1 Circuit Low >> Notes

P0131-O2 Sensor 1/1 Circuit Low: Notes

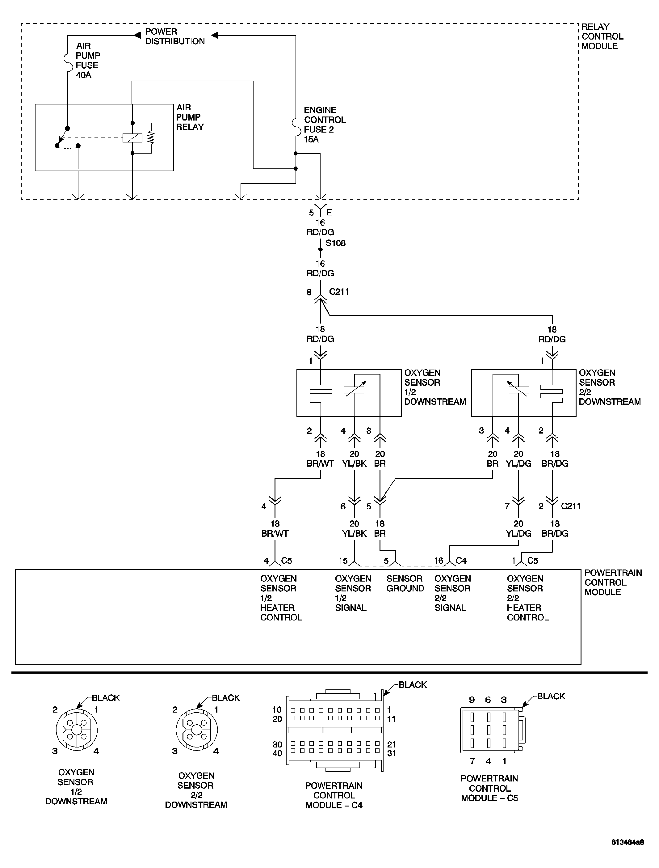
Fig 1: O2 Sensors Circuit Schematic
GC0034126Courtesy of CHRYSLER LLC
Fig 2: O2 Sensor Heater s Circuit Schematic
GC0034127Courtesy of CHRYSLER LLC
  1. When Monitored  : With the engine running between 1000 and 2000 RPM, engine load between 15% to 50%, closed loop mode, the three way catalytic converter temperature is greater than 380°C (716°F), and the O2 sensor heater must be ON for at least 220 seconds to enable the signal inactive portion of the test.
  2. Set Condition  : The high limit: O2 Sensor voltage is greater than 1.5 volts for approximately 5 seconds. The low limit: O2 Sensor voltage is less than 0.15 volt for approximately 5 seconds. Signal stays at center: The O2 Sensor voltage stays between 0.4 and 0.6 volt for more than approximately 15 seconds after the O2 Sensor heater has been ON for at least 220 seconds.
Possible Causes 
O2 SENSOR SIGNAL CIRCUIT OPEN
O2 SENSOR SIGNAL CIRCUIT SHORT TO GROUND
O2 SENSOR SIGNAL CIRCUIT SHORT TO VOLTAGE
SENSOR GROUND CIRCUIT OPEN
ENGINE EXHAUST LEAK
O2 SENSOR
POWERTRAIN CONTROL MODULE

For a complete Powertrain Control Module Circuit Diagram, refer to SCHEMATICS AND DIAGRAMS .