lemon-mirror:
Home >> Chrysler >> 2007 >> Crossfire Base, 2D Convertible >> Repair and Diagnosis >> Engine Performance >> System >> DTCS P0133 To P0153 >> P0137-O2 Sensor 1/2 Above Threshold >> Notes

P0137-O2 Sensor 1/2 Above Threshold: Notes

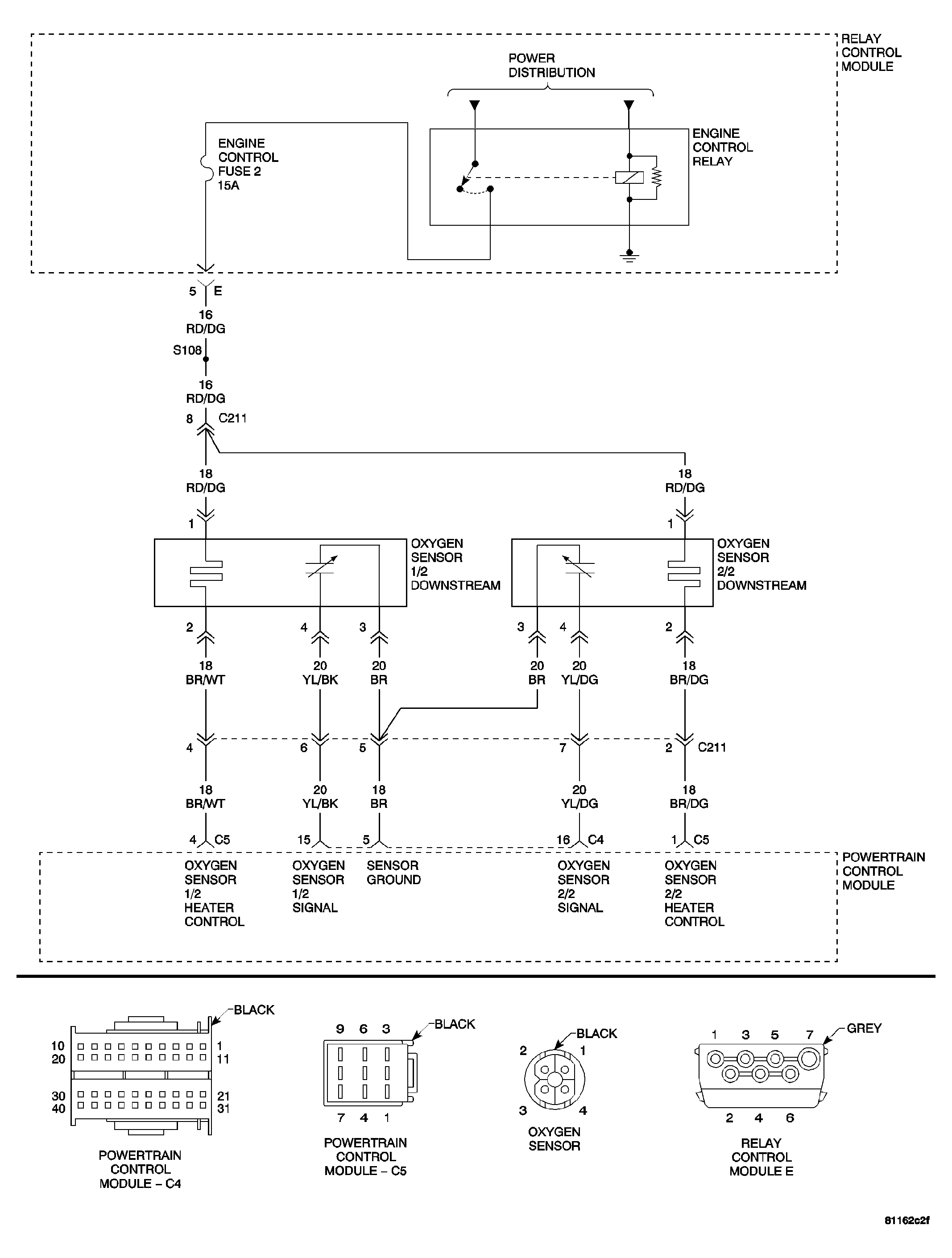
Fig 1: Downstream O2 Sensors Circuit Schematic
GC0034148Courtesy of CHRYSLER LLC
  1. When Monitored  : Start and drive vehicle greater than 32 km/h (20 MPH) and less than 89 km/h (55 MPH). Throttle open for a minimum 120 seconds. Coolant Temp greater than 70°C (158°F) and Catalytic Converter Temperature greater than 600°C (1112°F).
  2. Set Condition  : The O2 sensor voltage switches only 11 times or less from lean to rich within 20 seconds during monitoring. Two Trip Fault.
Possible Causes 
EXHAUST LEAK
O2 SENSOR SIGNAL CIRCUIT
O2 SENSOR GROUND CIRCUIT
O2 SENSOR

For a complete Powertrain Control Module Circuit Diagram, refer to SCHEMATICS AND DIAGRAMS .