lemon-mirror:
Home >> Chrysler >> 2007 >> Crossfire Base, 2D Convertible >> Repair and Diagnosis >> Engine Performance >> System >> DTCS P0153 To P0200 >> P0155-O2 Sensor 2/1 Heater Performance >> Notes

P0155-O2 Sensor 2/1 Heater Performance: Notes

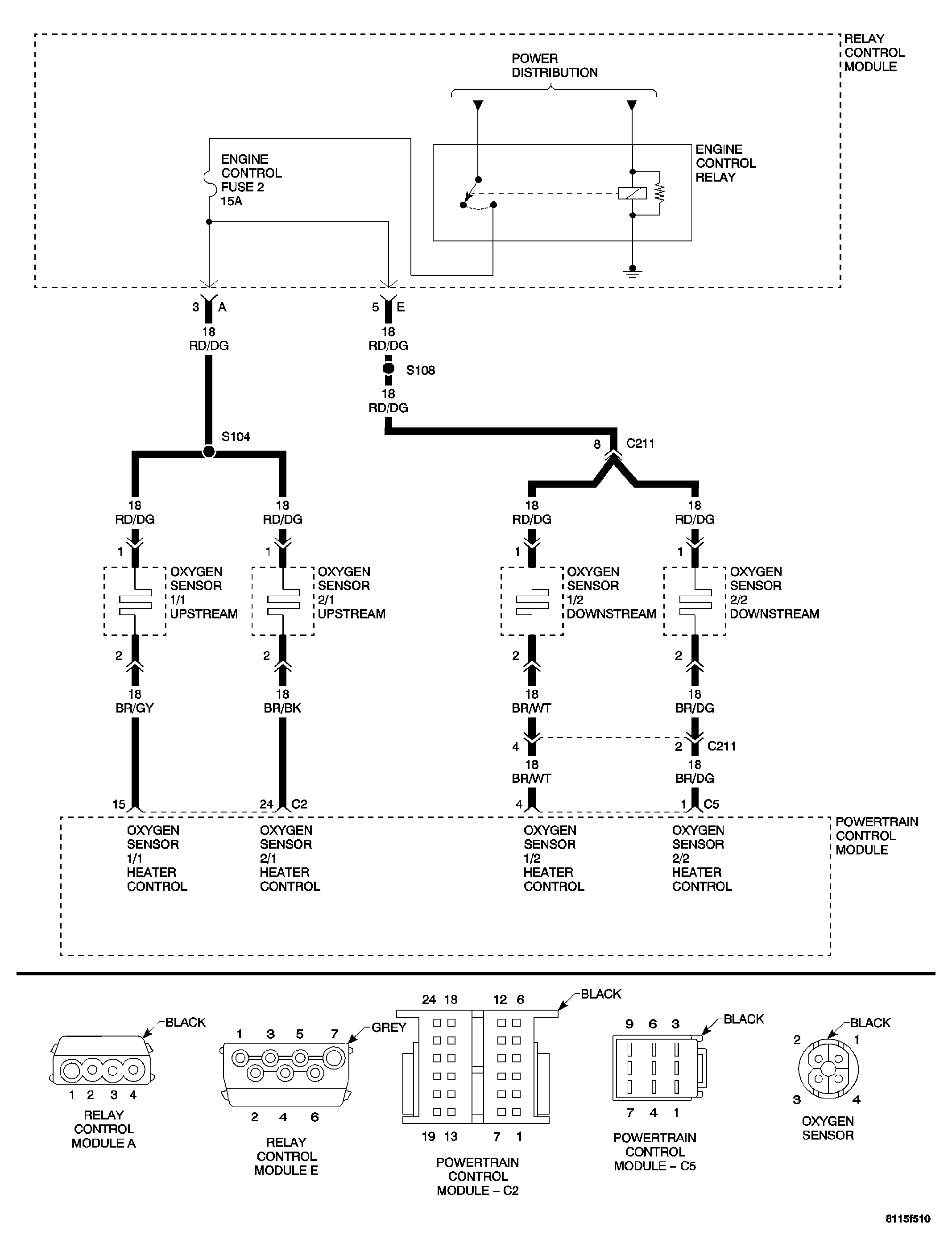
Fig 1: O2 Sensor Heaters Circuit Schematic
GC0034138Courtesy of CHRYSLER LLC
  1. When Monitored  : Engine Running and Heater duty cycle greater than 0%.
  2. Set Condition  : O2 Heater Temperature does not reach 575°C (959°F) within 90 seconds during monitoring conditions. Two Trip Fault.
Possible Causes 
FUSED ENGINE CONTROL RELAY OUTPUT CIRCUIT OPEN
O2 SENSOR HEATER CONTROL CIRCUIT SHORT TO VOLTAGE
O2 SENSOR HEATER CONTROL CIRCUIT SHORT TO GROUND
O2 HEATER CONTROL CIRCUIT OPEN
O2 HEATER ELEMENT
POWERTRAIN CONTROL MODULE

For a complete Powertrain Control Module Circuit Diagram, refer to SCHEMATICS AND DIAGRAMS .