lemon-mirror:
Home >> Chrysler >> 2007 >> Crossfire Base, 2D Convertible >> Repair and Diagnosis >> Engine Performance >> System >> DTCS P0341 To P0480 >> P0418-Secondary Air Injection System Control Circuit >> Notes

P0418-Secondary Air Injection System Control Circuit: Notes

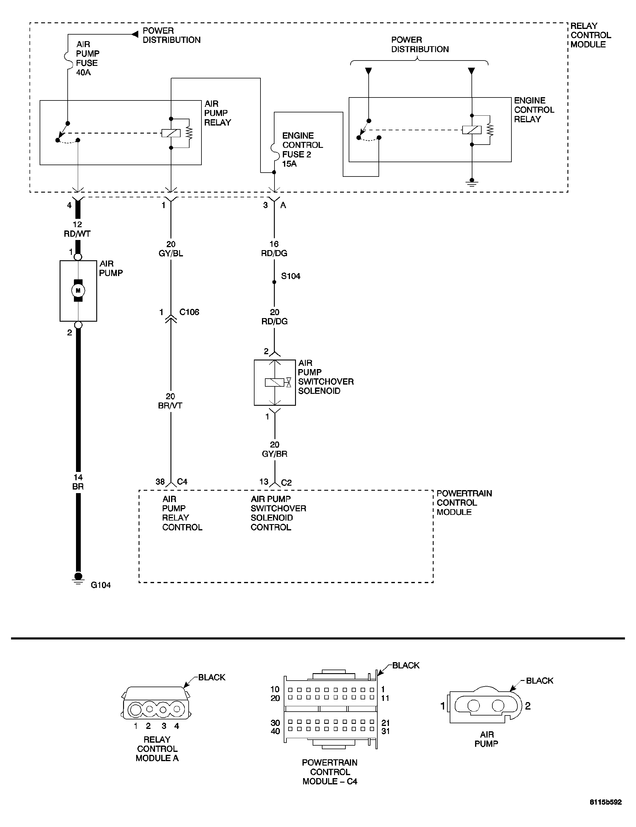
Fig 1: Air Pump System Circuit Schematic
GC0034257Courtesy of CHRYSLER LLC
  1. When Monitored  : Once per driving cycle when the Engine is at idle, Air Pump was activated at start-up, Barometric Pressure greater than 78 kPa (11 psi), Engine Coolant Temperature is greater than 50°C (122°F), and no other DTCs.
  2. Set Condition  : When the test is enabled, the O2 Sensor must increase by at least 23% (rich).
Possible Causes 
AIR PUMP RELAY CONTROL CIRCUIT OPEN
AIR PUMP RELAY CONTROL CIRCUIT SHORT TO GROUND
AIR PUMP RELAY CONTROL CIRCUIT SHORT TO VOLTAGE
AIR PUMP RELAY CONTROL CIRCUIT SHORT TO AIR PUMP RELAY OUTPUT CIRCUIT
RELAY CONTROL MODULE
POWERTRAIN CONTROL MODULE

For a complete Powertrain Control Module Circuit Diagram, refer to SCHEMATICS AND DIAGRAMS .