lemon-mirror:
Home >> Chrysler >> 2007 >> Crossfire Base, 2D Convertible >> Repair and Diagnosis >> Engine Performance >> System >> DTCS P0480 To P0702 >> P0606-Internal Pcm Processor >> Notes

P0606-Internal Pcm Processor: Notes

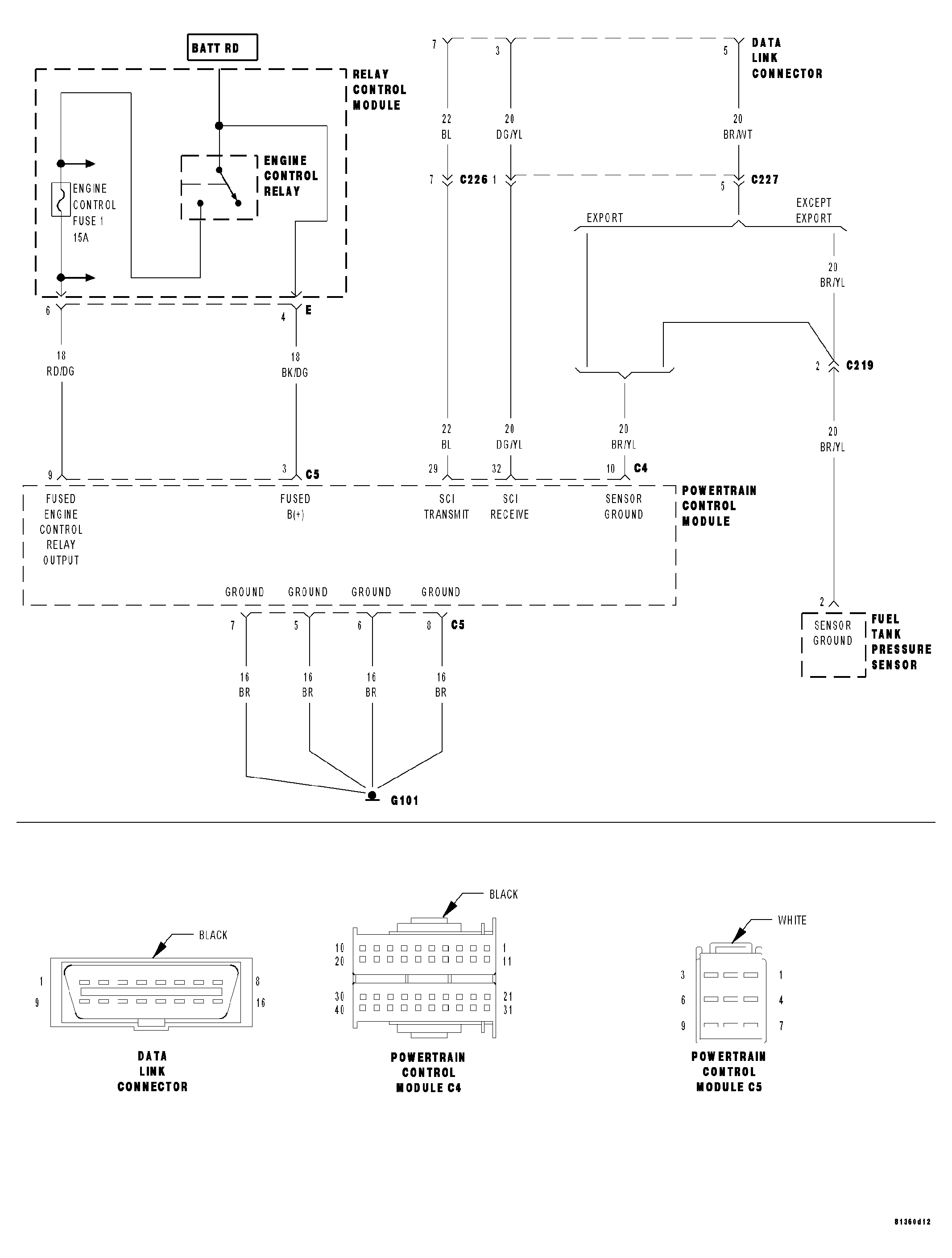
Fig 1: PCM Power, Ground & SCI Communication Circuits Schematic
GC0034356Courtesy of CHRYSLER LLC
  1. When Monitored  : Continuous.
  2. Set Condition  : If the Powertrain Control Module (PCM) detects an internal fault, this DTC is set.
Possible Causes 
POWERTRAIN CONTROL MODULE

For a complete Powertrain Control Module Circuit Diagram, refer to SCHEMATICS AND DIAGRAMS .