lemon-mirror:
Home >> Chrysler >> 2007 >> Pacifica Limited, FWD >> Repair and Diagnosis >> Engine Performance >> System >> DTCS P0152 To P0222 >> P0161-O2 Sensor 2/2 Heater Performance >> Circuit Schematic

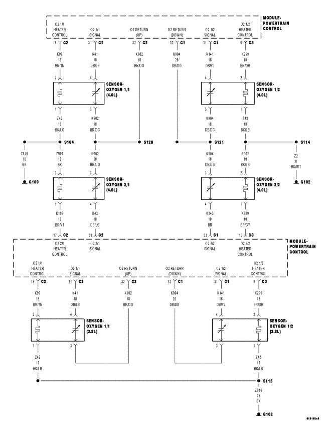
Circuit Schematic

Fig 1: Oxygen Sensor Circuit Schematic
GC0049367Courtesy of CHRYSLER LLC