lemon-mirror:
Home >> Chrysler >> 2007 >> Sebring Base, 2.4 K >> Repair and Diagnosis >> Engine Performance >> System >> Engine Controls - System & Component Testing - NGC >> *Checking The Engine Coolant Temperature Sensor Operation >> Notes

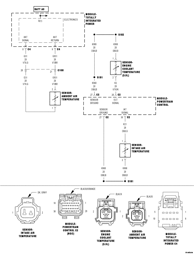
*Checking The Engine Coolant Temperature Sensor Operation: Notes

Fig 1: Engine Coolant Temperature Sensor Circuit Schematic
GC0059376Courtesy of CHRYSLER LLC

For complete wiring diagrams, refer to SYSTEM WIRING DIAGRAMS .