lemon-mirror:
Home >> Chrysler >> 2008 >> 300 LX >> Repair and Diagnosis >> Engine Performance >> System >> Engine Controls - Troubleshooting Procedures & Tests >> *Checking The Charging System Operation >> Notes

*Checking The Charging System Operation: Notes

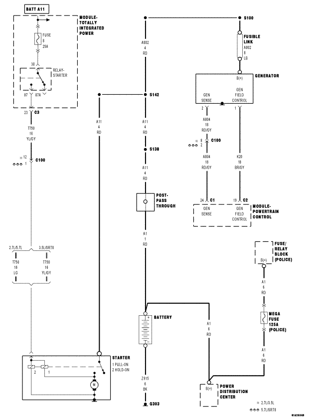
Fig 1: Powertrain Control Module Circuit Schematic
GC0070356Courtesy of CHRYSLER LLC

For complete wiring diagrams refer to:

SYSTEM WIRING DIAGRAMS for 300.

SYSTEM WIRING DIAGRAMS for Charger.

SYSTEM WIRING DIAGRAMS for Magnum.