lemon-mirror:
Home >> Chrysler >> 2009 >> 300 LX >> Repair and Diagnosis >> Engine Performance >> System >> DTCS P2107 To P2302 >> P2271-O2 Sensor 1/2 Signal Biased Rich >> Circuit Schematic

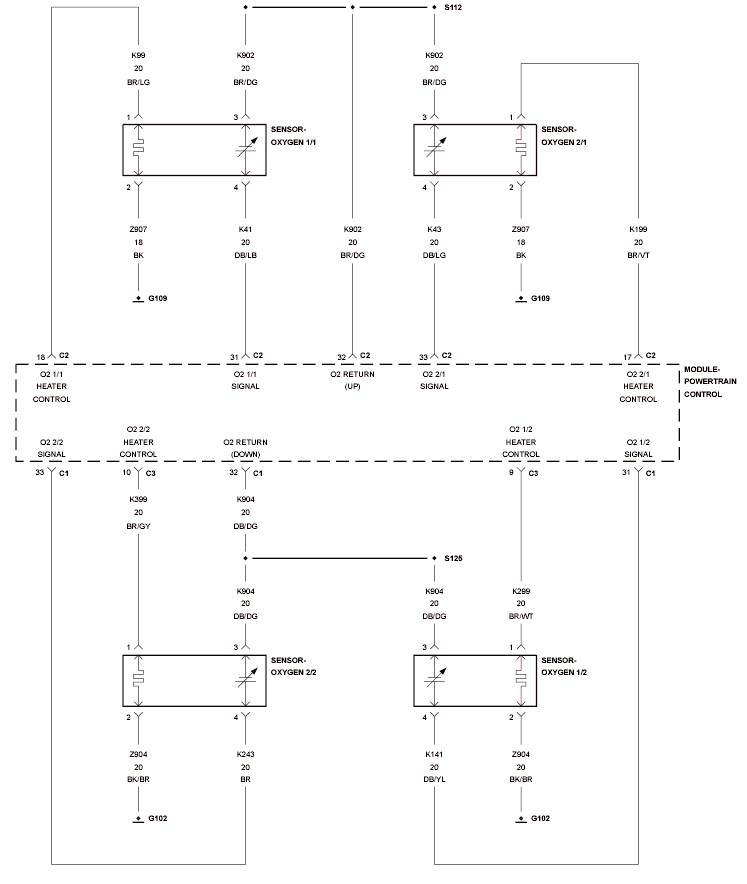
Circuit Schematic

Fig 1: O2 Sensor Signal Circuit Schematic
GC0097678Courtesy of CHRYSLER LLC