lemon-mirror:
Home >> Chrysler >> 2009 >> Sebring Base, 2D Convertible, EDG >> Repair and Diagnosis >> Steering >> Steering Column >> Steering System >> Pump >> Installation >> 2.7L Engine

2.7L Engine

  1. Place the pump in the mounting bracket. Install the three bolts through the pulley openings. Tighten the mounting bolts to 30 N.m (22 ft. lbs.).
  2. Install the pump with mounting bracket on the engine. To install the pump into the engine compartment, rotate the pump so that the pulley is toward the engine, then insert the pump up through the opening where the axle half shaft is usually located. Rotate the pump around and into mounting position.
    Fig 1: REAR PUMP MOUNTING BRACKET BOLTS - 2.7L
    GC0122203Courtesy of CHRYSLER LLC
  3. Install the pump mounting bracket bolts (2) behind the pump on the back of the engine. Do not tighten the bolts at this time.
    Fig 2: FRONT PUMP MOUNTING BRACKET BOLTS - 2.7L
    GC0121554Courtesy of CHRYSLER LLC
  4. Install the pump mounting bracket bolt (1) near the pump pulley.
  5. Tighten all three pump mounting bracket bolts to 30 N.m (22 ft. lbs.).
    Fig 3: PRESSURE HOSE AT PUMP - 2.7L
    GC0122202Courtesy of CHRYSLER LLC
  6. Using a lint free towel, wipe clean the open power steering pressure hose end and the power steering pump port. Replace any used O-rings with new. Lubricate the O-ring with clean power steering fluid.
  7. Install the pressure hose (2) at the pump pressure port. Tighten the tube nut to 32 N.m (24 ft. lbs.).
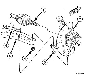
    Fig 4: FRONT KNUCKLE MOUNTING
    GC0120770Courtesy of CHRYSLER LLC
  8. Install the right axle half shaft.
  9. Insert the axle half shaft into the rear of the hub and bearing hub and bearing, Insert the lower ball joint stud (of knuckle) into the mounting hole in the lower control arm.
  10. Install a NEW ball joint stud nut (4). Tighten the nut to 95 N.m (70 ft. lbs.).
    Fig 5: FRONT KNUCKLE MOUNTING
    GC0120770Courtesy of CHRYSLER LLC
  11. Install the outer tie rod (6) ball stud into the hole in the knuckle (2) arm. Start the tie rod end knuckle nut (3) onto the stud. While holding the tie rod end stud with a wrench, tighten the nut with a wrench or crowfoot wrench to 85 N.m (63 ft. lbs.).
  12. Install a NEW power steering pump drive belt. Refer to Cooling/Accessory Drive/BELT, Serpentine - Installation
  13. Install the drive belt splash shield.
    Fig 6: HUB NUT
    GC0102532Courtesy of CHRYSLER LLC
  14. Clean all foreign matter from the threads of the half shaft outer C/V joint.
  15. Install the hub nut (1) on the end of the half shaft (2) and snug it.
  16. While a helper applies the brakes to keep the hub from rotating, tighten the hub nut (3) to 132 N.m (97 ft. lbs.).
    Fig 7: TIRE AND WHEEL ASSEMBLY
    GC0082325Courtesy of CHRYSLER LLC
  17. Install the tire and wheel assembly (1). Refer to Tires and Wheels - Installation . Install and tighten wheel mounting nuts (3) to 135 N.m (100 ft. lbs.).
  18. Lower the vehicle.
    Fig 8: SUPPLY HOSE - 2.7L
    GC0122201Courtesy of CHRYSLER LLC
  19. Install the supply hose (2) at the pump (4).
  20. Install the hose clamp (3) securing the supply hose to the pump.
  21. Fill and bleed the power steering system. See Steering - Standard Procedure 
  22. Check for leaks.