lemon-mirror:
Home >> Chrysler >> 2011 >> 300 Base, Gas >> Repair and Diagnosis >> Engine Performance >> Engine Control Systems >> (Drivetrain Control Module (DTCM) - Electrical Diagnostics) >> DTC Troubleshooting >> C1464-Front Axle Disconnect Control Circuit Low >> Notes

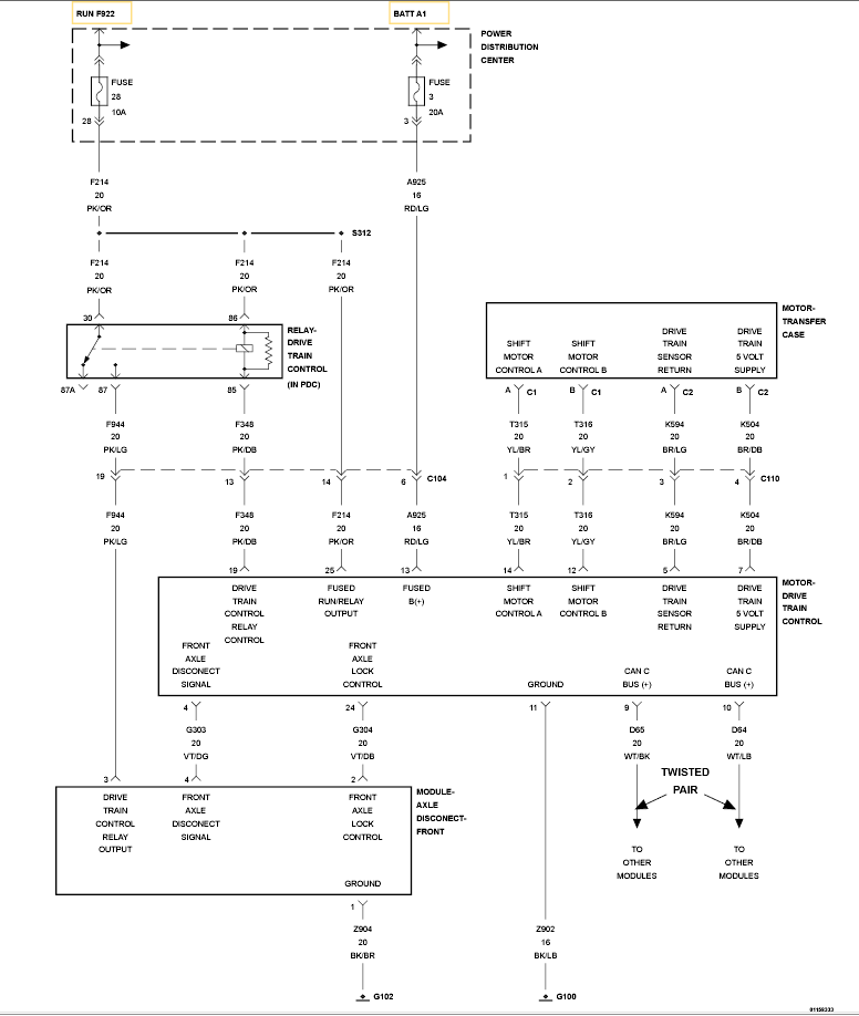
C1464-Front Axle Disconnect Control Circuit Low: Notes

Fig 1: Drive Train Control Module Circuit Wiring Diagram
GC0096560Courtesy of CHRYSLER LLC

For a complete wiring diagram, refer to appropriate SYSTEM WIRING DIAGRAMS article  .