Gas Engine
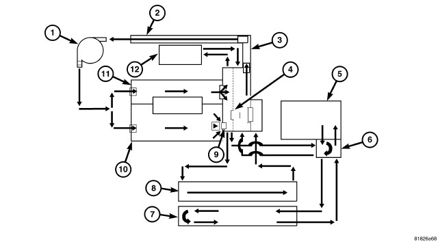
COOLING SYSTEM FLOW - 2.4L
- 1 - WATER PUMP
- 2 - RETURN TUBE
- 3 - WATER PLENUM
- 4 - PRIMARY THERMOSTAT
- 5 - TRANSMISSION
- 6 - INTERNAL TRANSMISSION COOLER
- 7 - COMBINATION COOLER
- 8 - RADIATOR
- 9 - SECONDARY THERMOSTAT
- 10 - CYLINDER BLOCK
- 11 - CYLINDER HEAD
- 12 - HEATER CORE
The primary purpose of a cooling system is to maintain engine temperature in a range that will provide satisfactory engine performance and emission levels under all expected driving conditions.
COOLING FLOW - 3.6L PHOENIX
- 1 - RADIATOR
- 2 - RH CYLINDER HEAD
- 3 - THERMOSTAT
- 4 - WATER CROSSOVER
- 5 - LH CYLINDER HEAD
- 6 - REAR HEATER CORE
- 7 - FRONT HEATER CORE
- 8 - OIL COOLER
- 9 - WATER PUMP
- 10 - CRANKCASE
The cooling system also provides hot water (coolant) for heater performance.