lemon-mirror:
Home >> Dodge and Ram >> 1998 >> Viper GTS-R >> Repair and Diagnosis >> Body & Frame >> Windows >> Power Window System >> Wiring Diagrams

Wiring Diagrams

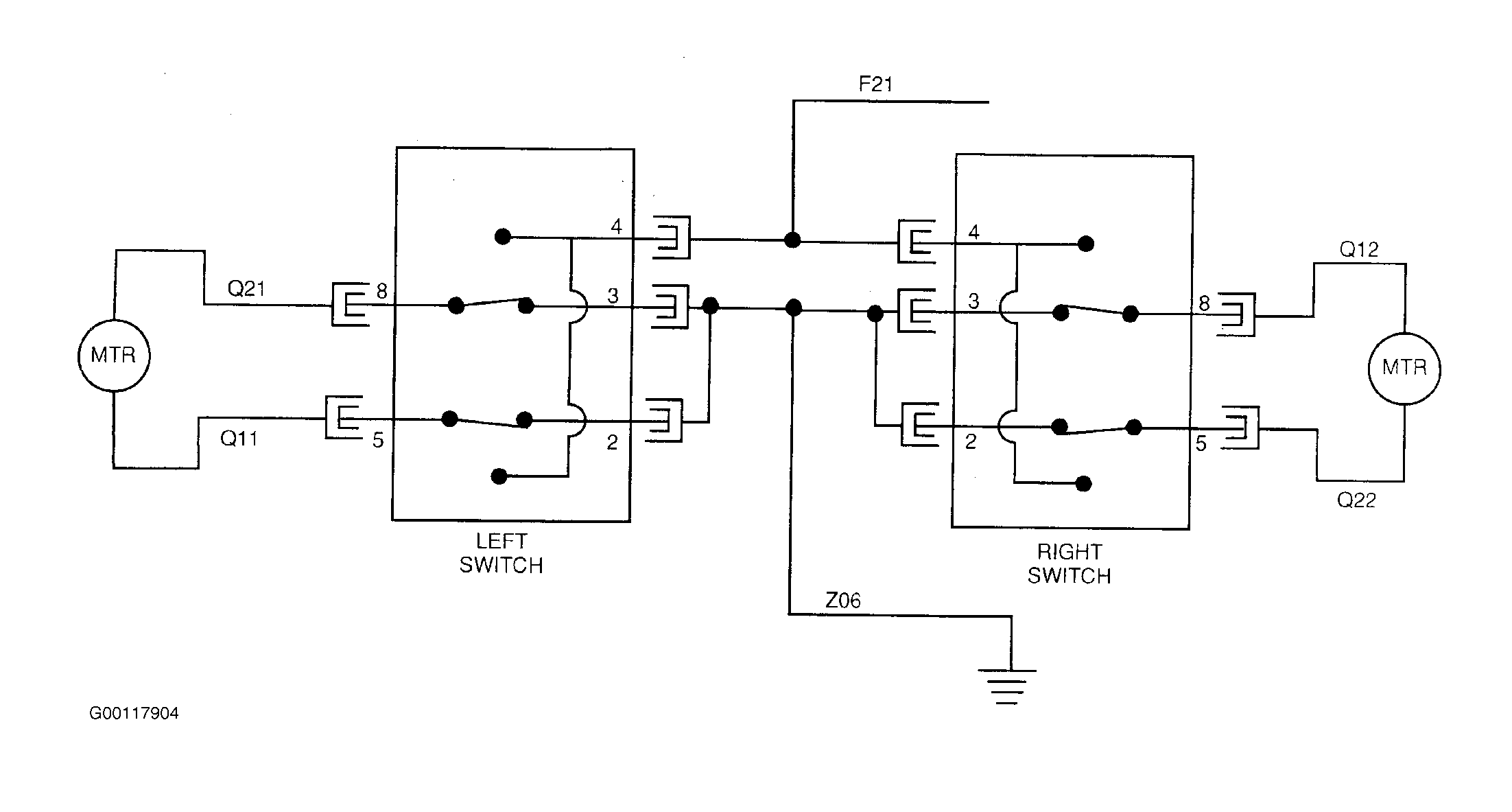
Fig 1: Power Window Circuit Wiring Diagram
G00117904Courtesy of CHRYSLER CORP.