lemon-mirror:
Home >> Dodge and Ram >> 2004 >> Viper >> Repair and Diagnosis >> Electrical >> Component Locations >> Electrical Component Locator >> Component Location Graphics

Component Location Graphics

NOTE: Figures may show multiple component locations. Refer to appropriate table for proper figure references.
Fig 1: Power Distribution Center
G00259066Courtesy of DAIMLERCHRYSLER CORP.
Fig 2: Left Side Of Engine Compartment
G00258913Courtesy of DAIMLERCHRYSLER CORP.
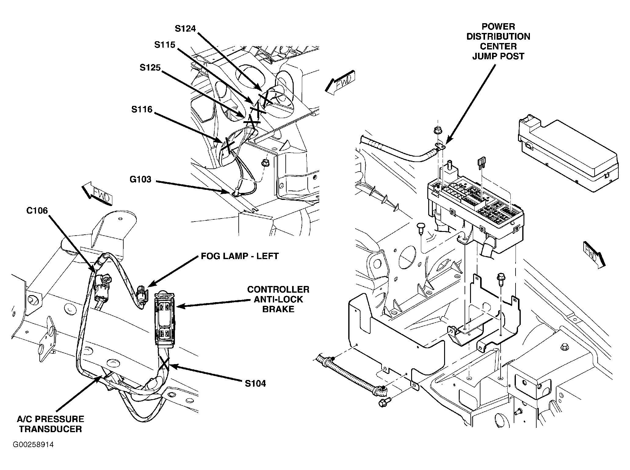
Fig 3: Left Front Of Engine Compartment
G00258914Courtesy of DAIMLERCHRYSLER CORP.
Fig 4: Right Front Of Vehicle (Right Shown, Left Similar)
G00258915Courtesy of DAIMLERCHRYSLER CORP.
Fig 5: Right Front Of Engine Compartment (Right Shown, Left Similar)
G00258916Courtesy of DAIMLERCHRYSLER CORP.
Fig 6: Right Front Of Engine Compartment
G00258917Courtesy of DAIMLERCHRYSLER CORP.
Fig 7: Right Side Of Engine Compartment
G00258918Courtesy of DAIMLERCHRYSLER CORP.
Fig 8: Left Rear Of Engine Compartment
G00258919Courtesy of DAIMLERCHRYSLER CORP.
Fig 9: Left Side Of Engine Compartment
G00258920Courtesy of DAIMLERCHRYSLER CORP.
Fig 10: Left Front Of Engine
G00258921Courtesy of DAIMLERCHRYSLER CORP.
Fig 11: Left Side Of Engine
G00258922Courtesy of DAIMLERCHRYSLER CORP.
Fig 12: Left Front Side Of Engine
G00258923Courtesy of DAIMLERCHRYSLER CORP.
Fig 13: Rear Of Engine Compartment
G00258924Courtesy of DAIMLERCHRYSLER CORP.
Fig 14: Right Front Of Engine
G00258925Courtesy of DAIMLERCHRYSLER CORP.
Fig 15: Right Side Of Transmission
G00258926Courtesy of DAIMLERCHRYSLER CORP.
Fig 16: Left Side Of Transmission
G00258927Courtesy of DAIMLERCHRYSLER CORP.
Fig 17: End Of HVAC
G00258928Courtesy of DAIMLERCHRYSLER CORP.
Fig 18: Top Of HVAC
G00258929Courtesy of DAIMLERCHRYSLER CORP.
Fig 19: Rear Of Dash
G00258930Courtesy of DAIMLERCHRYSLER CORP.
Fig 20: Center Of Dash
G00258931Courtesy of DAIMLERCHRYSLER CORP.
Fig 21: Clockspring
G00258932Courtesy of DAIMLERCHRYSLER CORP.
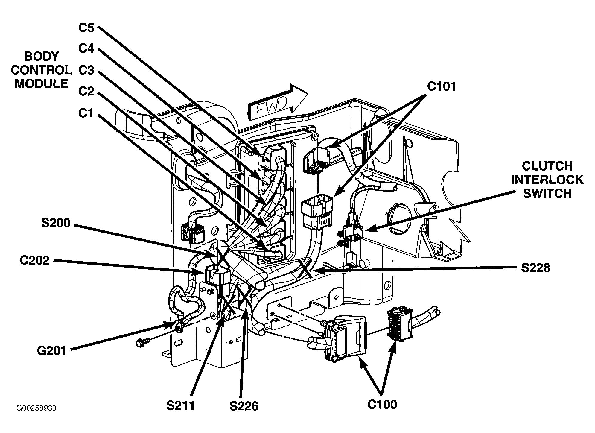
Fig 22: Left Kick Panel
G00258933Courtesy of DAIMLERCHRYSLER CORP.
Fig 23: Center Console
G00258934Courtesy of DAIMLERCHRYSLER CORP.
Fig 24: Right Kick Panel
G00258935Courtesy of DAIMLERCHRYSLER CORP.
Fig 25: Rear Of Passenger Compartment
G00258936Courtesy of DAIMLERCHRYSLER CORP.
Fig 26: Passenger Side Floor
G00258937Courtesy of DAIMLERCHRYSLER CORP.
Fig 27: Driver Side Floor
G00258938Courtesy of DAIMLERCHRYSLER CORP.
Fig 28: Left Door
G00258939Courtesy of DAIMLERCHRYSLER CORP.
Fig 29: Right Door
G00258940Courtesy of DAIMLERCHRYSLER CORP.
Fig 30: Right Rear Chassis
G00258941Courtesy of DAIMLERCHRYSLER CORP.
Fig 31: Left Rear Chassis
G00258942Courtesy of DAIMLERCHRYSLER CORP.
Fig 32: Tail Lamps
G00258943Courtesy of DAIMLERCHRYSLER CORP.
Fig 33: Rear Of Vehicle
G00258944Courtesy of DAIMLERCHRYSLER CORP.
Fig 34: Decklid
G00258945Courtesy of DAIMLERCHRYSLER CORP.