lemon-mirror:
Home >> Dodge and Ram >> 2006 >> Sprinter 2500, Cab Chassis >> Repair and Diagnosis >> Engine Performance >> System >> Powertrain Diagnostic Procedures >> Schematic Diagrams >> Engine Control Module

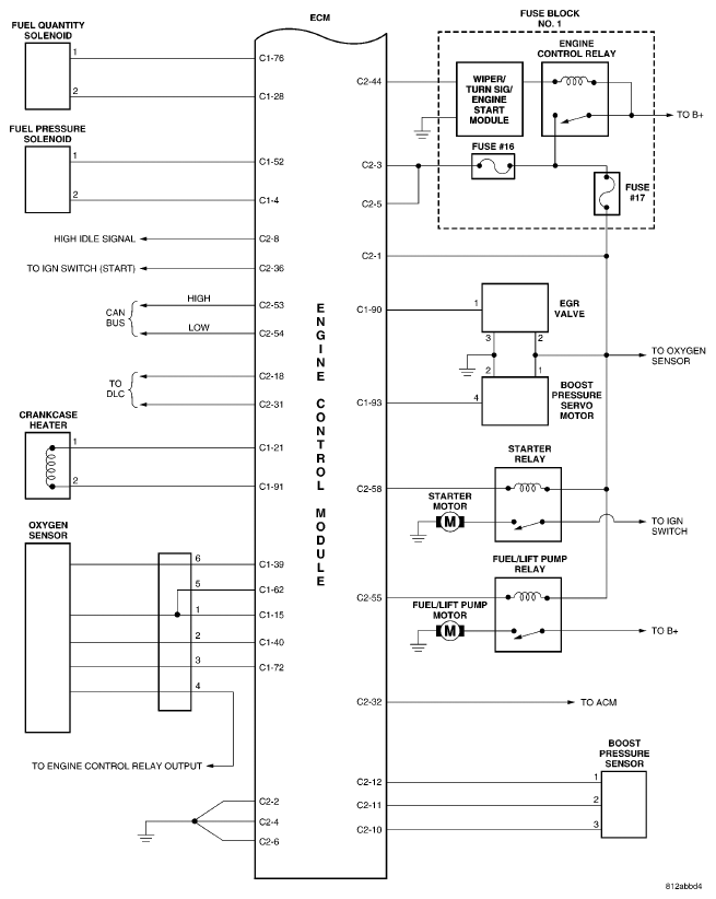
Engine Control Module

Fig 1: Schematic Diagrams - Engine Control Module (1 of 2)
G04762918Courtesy of CHRYSLER
Fig 2: Schematic Diagrams - Engine Control Module (2 of 2)
G04762919Courtesy of CHRYSLER