lemon-mirror:
Home >> Eagle >> 1992 >> Premier ES >> Repair and Diagnosis >> Engine Performance >> System >> Engine Controls - Tests W/Codes >> Wiring Diagrams

Wiring Diagrams

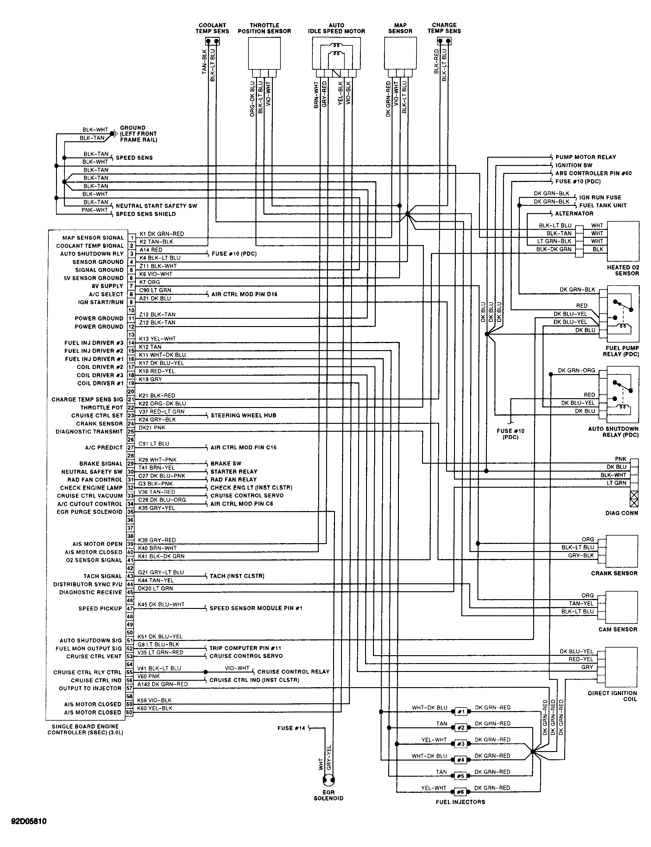
Fig 1: Wiring Diagram (Monaco & Premier - 3.0L)
G92D05810