lemon-mirror:
Home >> Eagle >> 1993 >> Vision ESi >> Repair and Diagnosis >> Engine Performance >> System >> Engine Controls - Tests W/Codes - Body Control Computer >> Wiring Diagrams

Wiring Diagrams

Fig 1: PCM Wiring Diagram - 1 Of 2 (3.3L - Concorde, Intrepid & Vision)
G93B41757
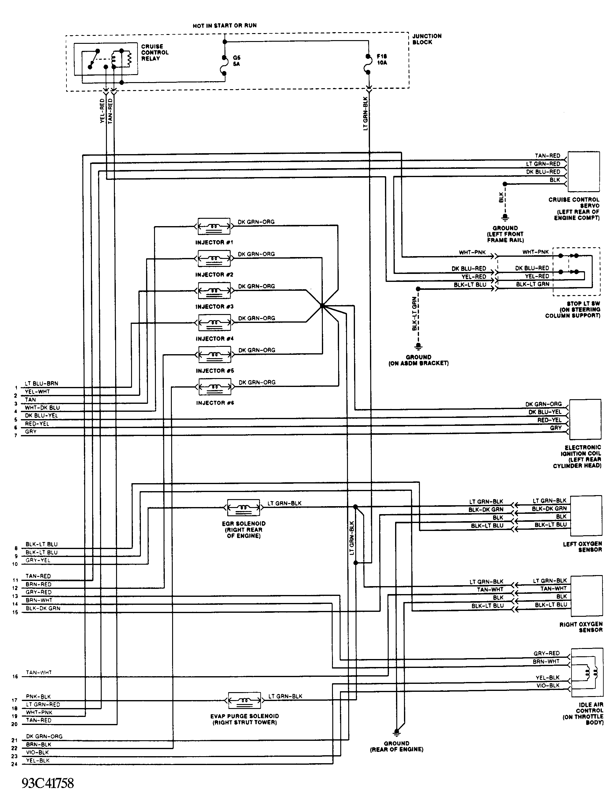
Fig 2: PCM Wiring Diagram - 2 Of 2 (3.3L)
G93C41758
Fig 3: PCM Wiring Diagram - 1 Of 2 (3.5L)
G93D41759
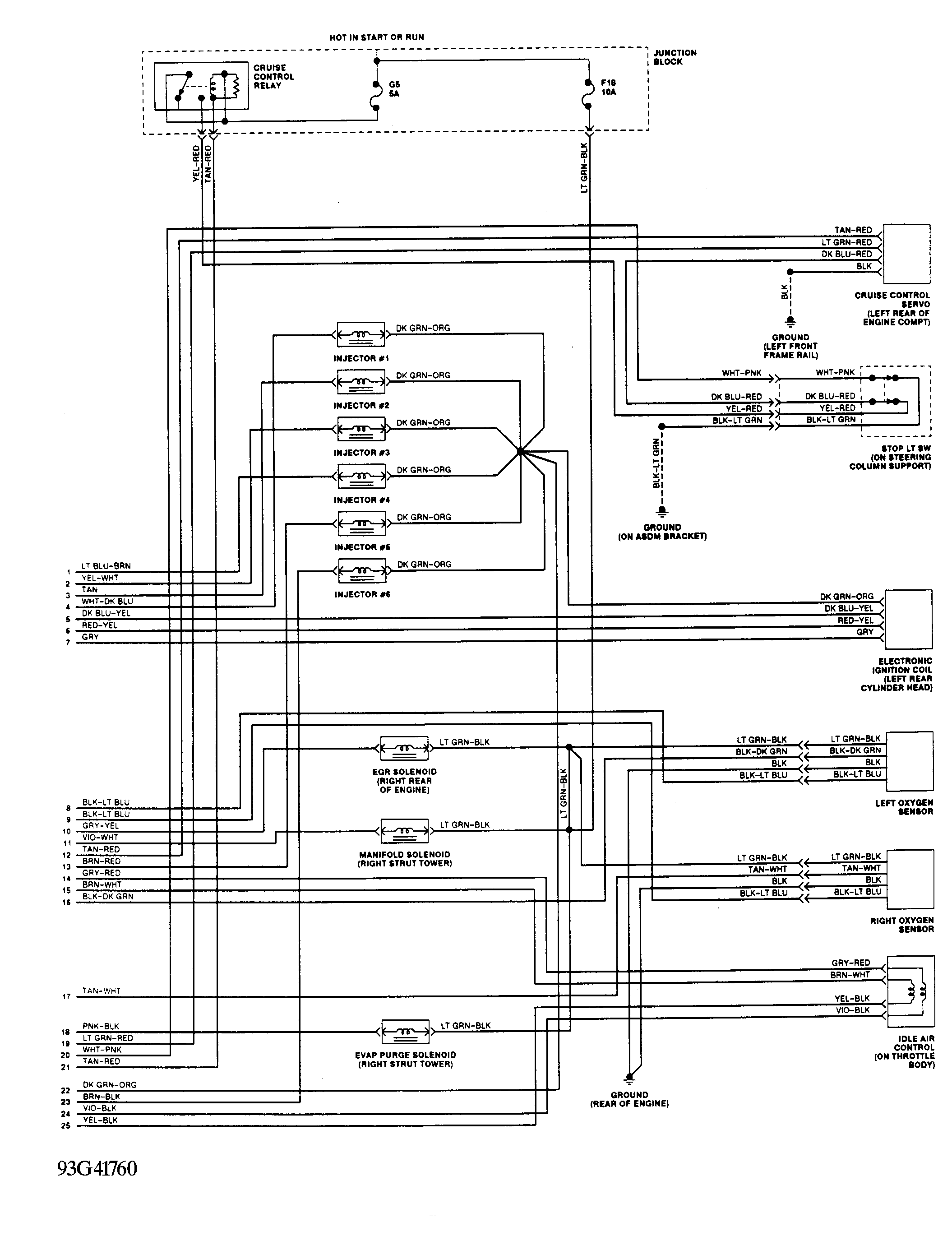
Fig 4: PCM Wiring Diagram - 2 Of 2 (3.5L)
G93G41760
Fig 5: BCM Wiring Diagram - 1 Of 2 (3.5L)
G93H41761
Fig 6: BCM Wiring Diagram - 2 Of 2 (3.5L)
G93I41762