lemon-mirror:
Home >> Fiat >> 1980 >> Spider Automatic Trans >> Repair and Diagnosis >> Engine Performance >> Fuel Delivery >> Air Gulp System >> Operation

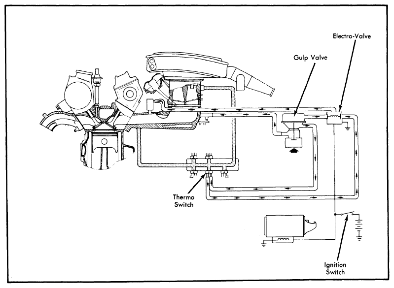
Air Gulp System: Operation

During engine starting, the electro-valve is energized. With the valve energized, the vacuum signal is applied directly to the upper chamber of the gulp valve. This prevents gulp valve from opening.

During cold engine operation, the thermo switch is closed, energizing the electro-valve. With the electro-valve energized, the vacuum signal is applied directly to the upper chamber of the gulp valve. This prevents the gulp valve from opening, thereby preventing any interference with the air/fuel mixture provided by the automatic choke.

During warm engine operation, the thermo switch is opened. The electro-valve is de-energized, allowing the vacuum signal to reach the gulp valve. The gulp valve opens, supplying fresh air to the intake manifold. The vacuum signal is strongest during deceleration.

Fig 1: FIAT Air Gulp System (Brava and Spider Models Shown - Strada and X1/9 Models Similar)
G09324482Courtesy of NOT AVAILABLE