lemon-mirror:
Home >> Ford >> 1976 >> Thunderbird >> Repair and Diagnosis >> Body & Frame >> Windows >> Power Windows >> Testing >> Window Relay

Window Relay

With one test lamp lead connected to relay output side and ignition in "ON" or "ACC" position, test lamp should light. If lamp does not light, check continuity of wiring harness from ignition switch to actuating terminal on relay. Check voltage at input terminal. If wiring and voltage are good, replace relay.

Fig 1: Power Window Single Switch Pin Connections & Numbers
G09323607Courtesy of FORD MOTOR CO.
Fig 2: Granada, Monarch, Torino & Montego 4Dr. Power Window Wiring
G09323608Courtesy of FORD MOTOR CO.
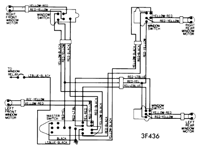
Fig 3: Granada, Monarch, Torino, Montego, Elite & Cougar 2Dr. Power Window Wiring
G09323609Courtesy of FORD MOTOR CO.
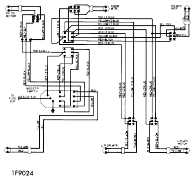
Fig 4: Ford & Mercury Power Window Wiring
G09323610Courtesy of FORD MOTOR CO.
Fig 5: Lincoln Continental Power Window Wiring
G09323611Courtesy of FORD MOTOR CO.
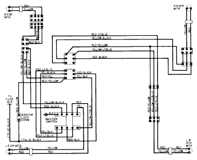
Fig 6: Mark IV & Thunderbird Power Window Wiring
G09323612Courtesy of FORD MOTOR CO.