lemon-mirror:
Home >> Ford >> 1984 >> Bronco II Automatic >> Repair and Diagnosis >> Engine Performance >> System >> 2.8L EEC IV Testing >> Wiring Diagrams

Wiring Diagrams

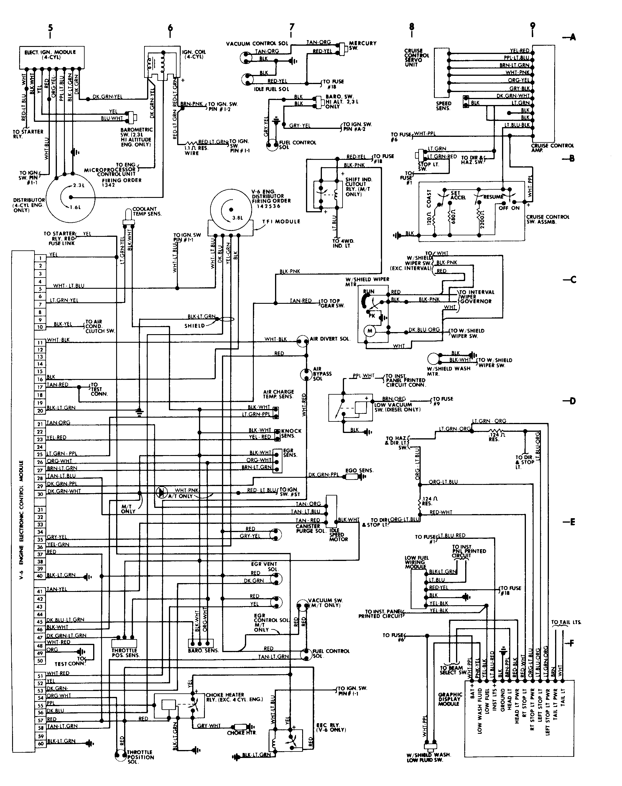
Fig 1: 2.8L EEC IV Wiring Diagram
G96315