lemon-mirror:
Home >> Ford >> 1988 >> Bronco II 4WD, Standard, M5OD-R1 >> Repair and Diagnosis >> Engine Performance >> System >> EEC-IV CEC System >> Wiring Diagrams

Wiring Diagrams

Fig 1: 2.3L MPFI EEC-IV Wiring Diagram (Ranger)
G72388
Fig 2: 5.0L, 5.8L & 7.5L EEC-IV Wiring Diagram (Econoline Vans)
G72394
Fig 3: 5.0L, 5.8L & 7.5L EEC-IV Wiring Diagram (Bronco & F150/350)
G72393
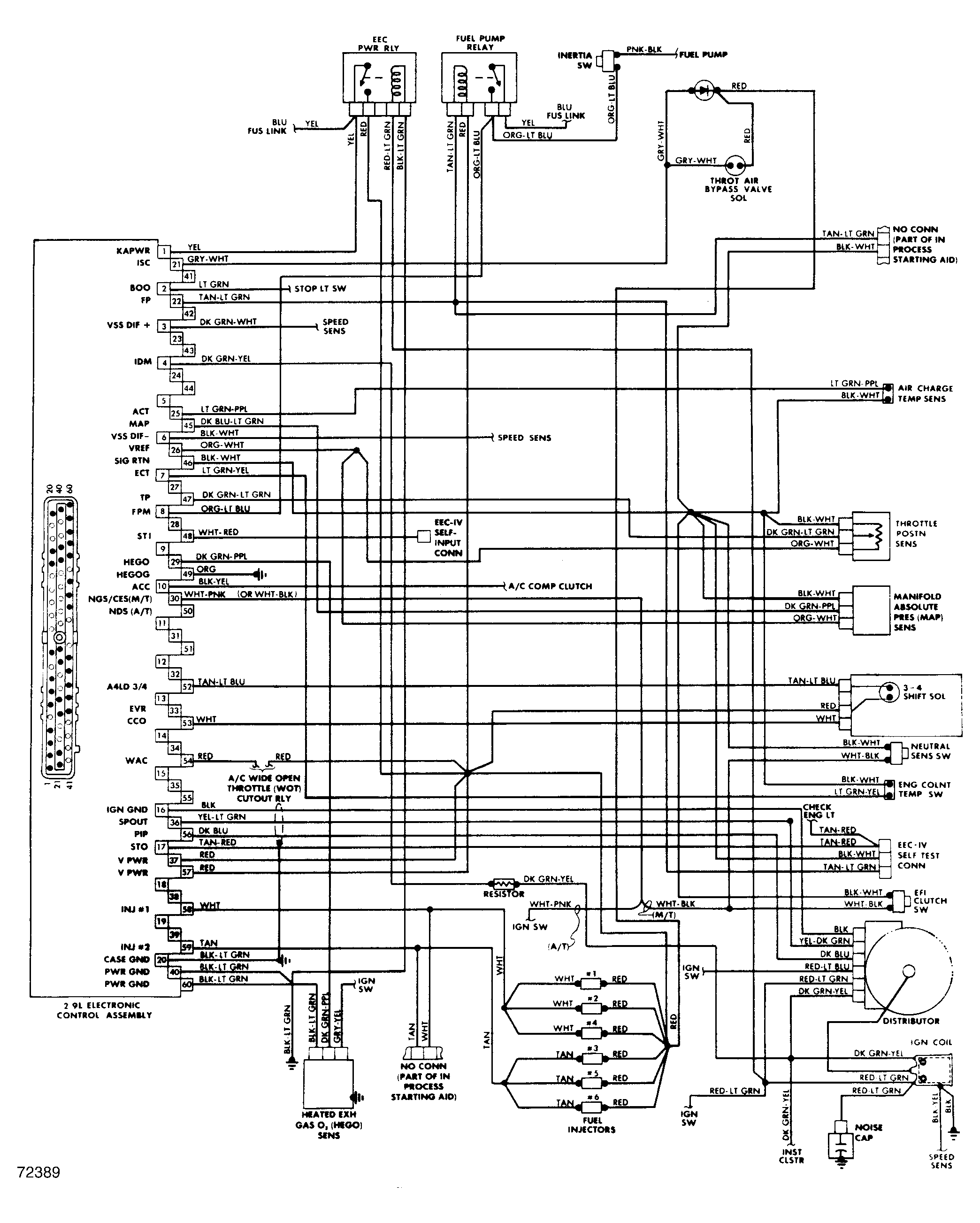
Fig 4: 2.9L MPFI EEC-IV Wiring Diagram (Bronco II & Ranger)
G72389
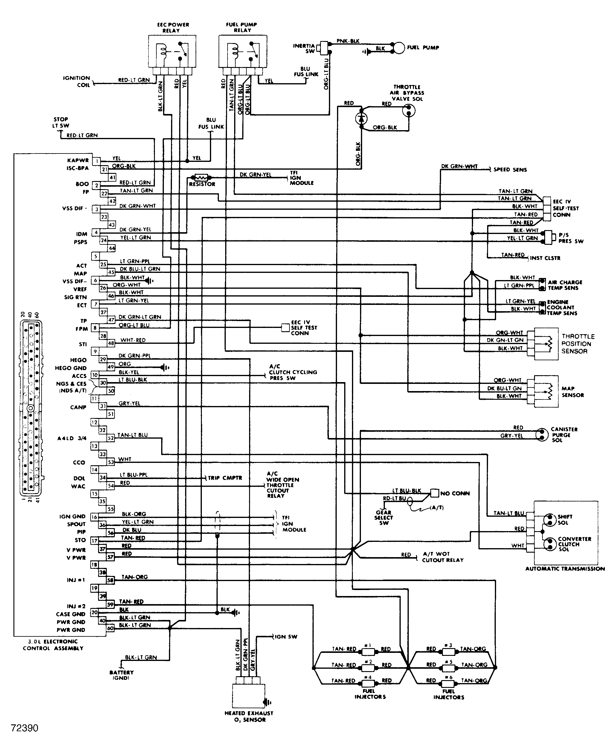
Fig 5: 3.0L MPFI EEC-IV Wiring Diagram (Aerostar)
G72390
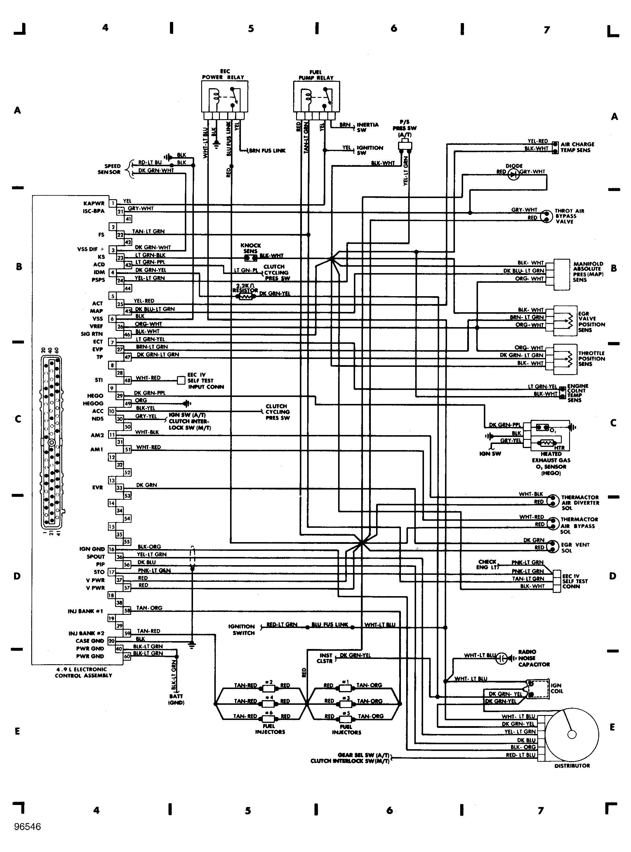
Fig 6: 4.9L EEC-IV Wiring Diagram (Bronco & F150/350)
G96546
Fig 7: 4.9L EEC-IV Wiring Diagram (Econoline Vans)
G72392
Fig 8: 4.9L Injector Blower Wiring Diagram (Econoline Vans)
G50E00418