lemon-mirror:
Home >> Ford >> 1988 >> Festiva L >> Repair and Diagnosis >> Engine Performance >> System >> EFC System >> Wiring Diagrams

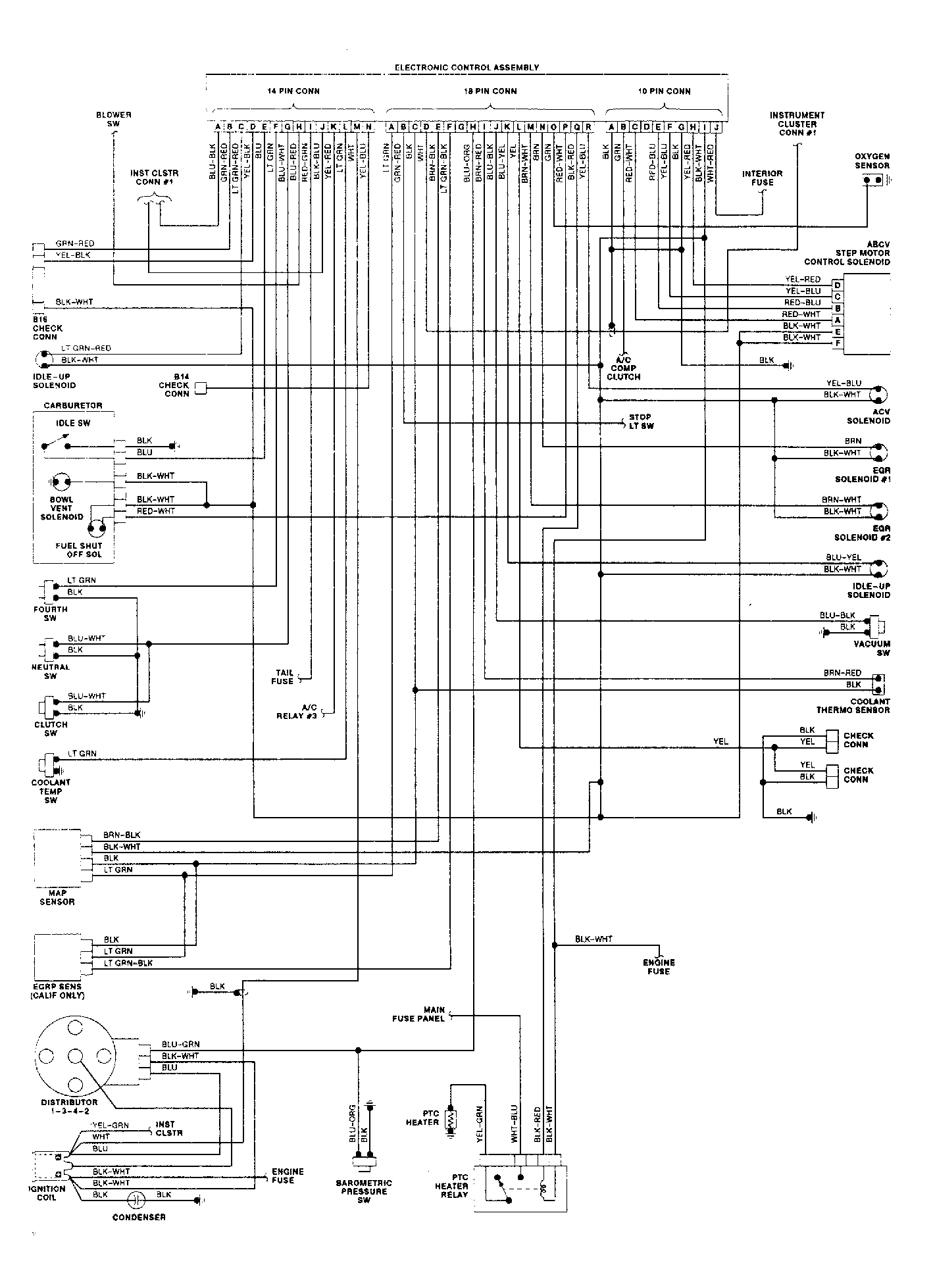
Wiring Diagrams

Fig 1: Wiring Schematic EFC System
G94563Courtesy of FORD MOTOR CO.