lemon-mirror:
Home >> Ford >> 1988 >> Taurus MT5 >> Repair and Diagnosis >> Engine Performance >> System >> Fuel Injection System - Multi-Point >> Wiring Diagrams

Wiring Diagrams

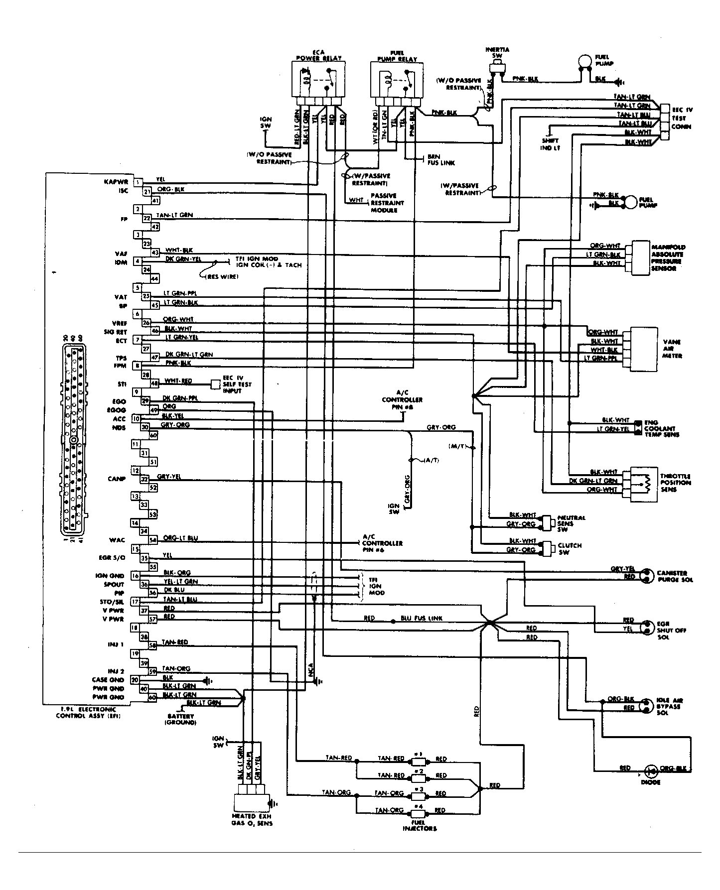
Fig 1: 1.9L MPFI EEC-IV Wiring Diagram (Escort)
G54333
Fig 2: 2.3L OHC MPFI EEC-IV Wiring Diagram (Mustang)
G54334
Fig 3: 2.3L Turbo MPFI EEC-IV Wiring Diagram (Thunderbird)
G54335
Fig 4: 2.3L HSC MPFI EEC-IV Wiring Diagram (Tempo & Topaz)
G54833
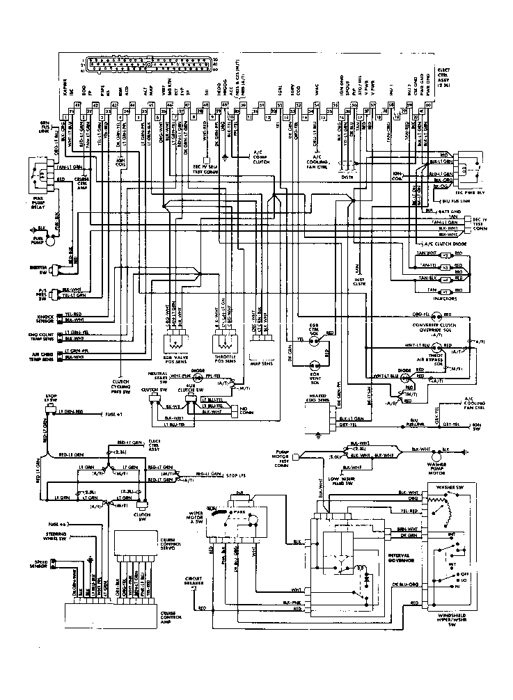
Fig 5: 3.0L & 3.8L MPFI (FWD) EEC-IV Wiring Dia. (Sable & Taurus)
G54337
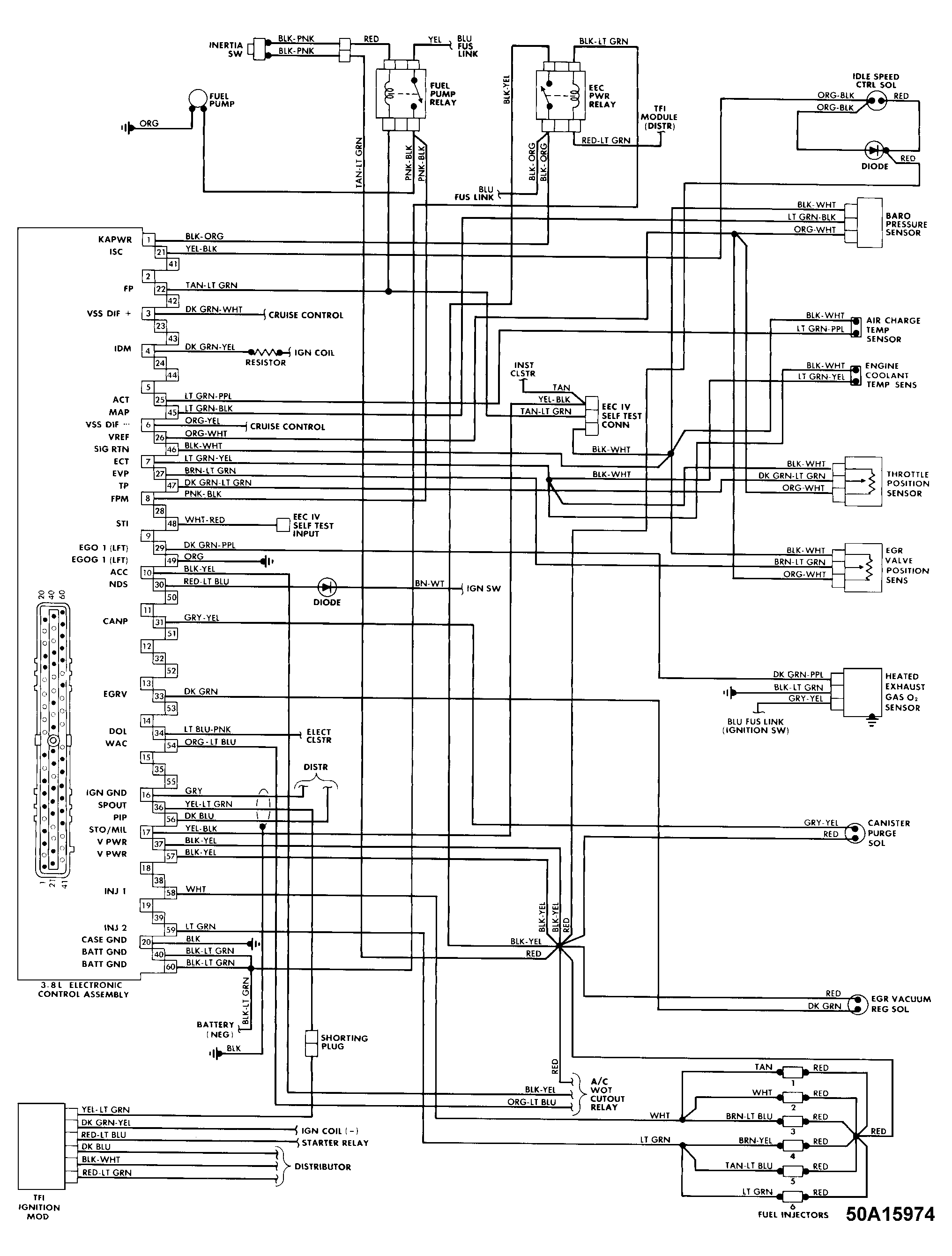
Fig 6: 3.8L MPFI (RWD) Wiring Diagram (Cougar & Thunderbird)
G50A15974
Fig 7: 3.8L SEFI EEC-IV Wiring Diagram (Continental)
G54339
Fig 8: 5.0L SEFI EEC-IV Wiring Diagram (Cougar & Thunderbird)
G200442
Fig 9: 5.0L SEFI EEC-IV Wiring Dia. (Crown Victoria & Grand Marquis)
G54341
Fig 10: 5.0L SEFI & MA SEFI EEC-IV Wiring Diagram (Mustang)
G54342
Fig 11: 5.0L SEFI EEC-IV Wiring Diagram (Town Car)
G54343
Fig 12: 5.0L SEFI EEC-IV Wiring Diagram (Mark VII)
G54344