lemon-mirror:
Home >> Ford >> 1990 >> Probe GL, Automatic >> Repair and Diagnosis >> Engine Performance >> System >> Engine Controls - Tests W/Codes - 2.2L >> Wiring Diagrams

Wiring Diagrams

Fig 1: 2.2L Probe Main Fuse Assembly System Wiring Diagram
G90A16345
Fig 2: 2.2L (Auto. Trans.) EEC System Wiring Diagram
G90B16346
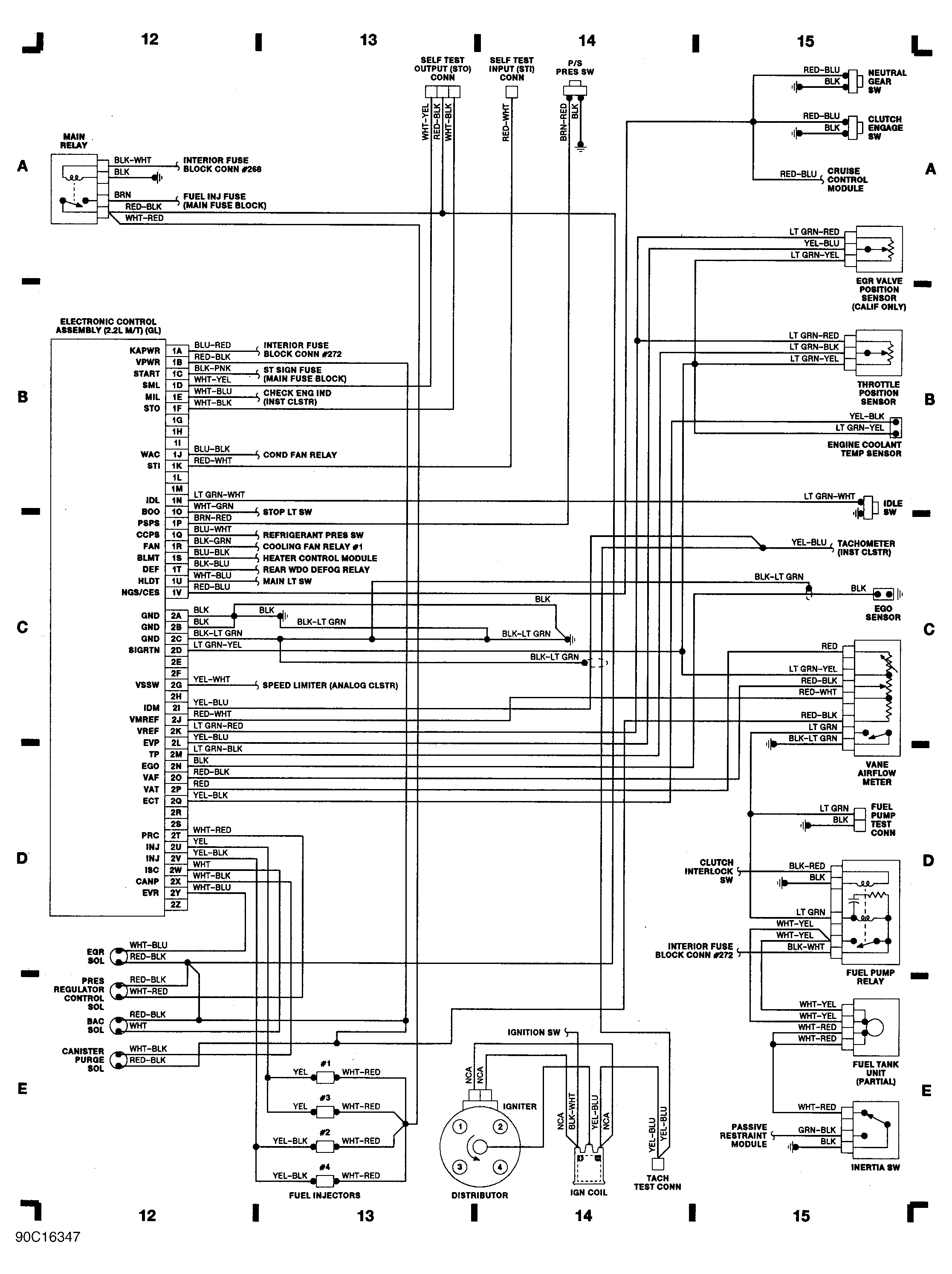
Fig 3: 2.2L (Man. Trans.) EEC System Wiring Diagram
G90C16347
Fig 4: 2.2L Turbo EEC System Wiring Diagram
G90D16348

If more information is necessary, see the appropriate chassis wiring diagram in WIRING DIAGRAMS section.